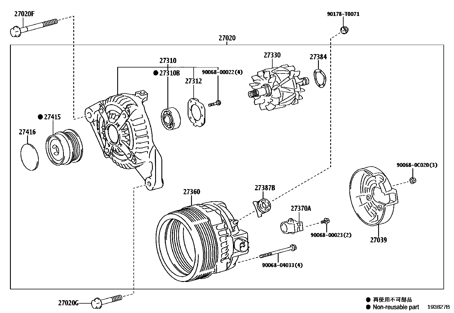
ALTERNATOR

27020ALTERNATOR ASSY
12V 100A
12V 100A
12V 100A
12V 100A,HEAVY PACKAGE
12V 100A,HEAVY PACKAGE; 12V 100A,UAE TAXI & HEAVY PACK SPEC
27020FBOLT, NO.1(FOR ALTERNATOR)
27020GBOLT, NO.2(FOR ALTERNATOR)
27039COVER, ALTERNATOR REAR END
27310FRAME ASSY, DRIVE END, ALTERNATOR
27310BBEARING(FOR ALTERNATOR DRIVE END FRAME)
27312PLATE, RETAINER
27330ROTOR ASSY, ALTERNATOR
27360COIL ASSY, ALTERNATOR
HEAVY PACKAGE
HEAVY PACKAGE; UAE TAXI & HEAVY PACK SPEC
27370AHOLDER ASSY, ALTERNATOR BRUSH
27384WASHER
27387BINSULATOR, ALTERNATOR TERMINAL
27415PULLEY, ALTERNATOR W/CLUTCH
27416CAP, ALTERNATOR PULLEY
9006800022
main90068-00022
9006800023
main90068-00023
9006804033
main90068-04033
900680C020
main90068-0C020
90178T0071
main90178-T0071
19 parts on this diagram · 3 diagrams in section