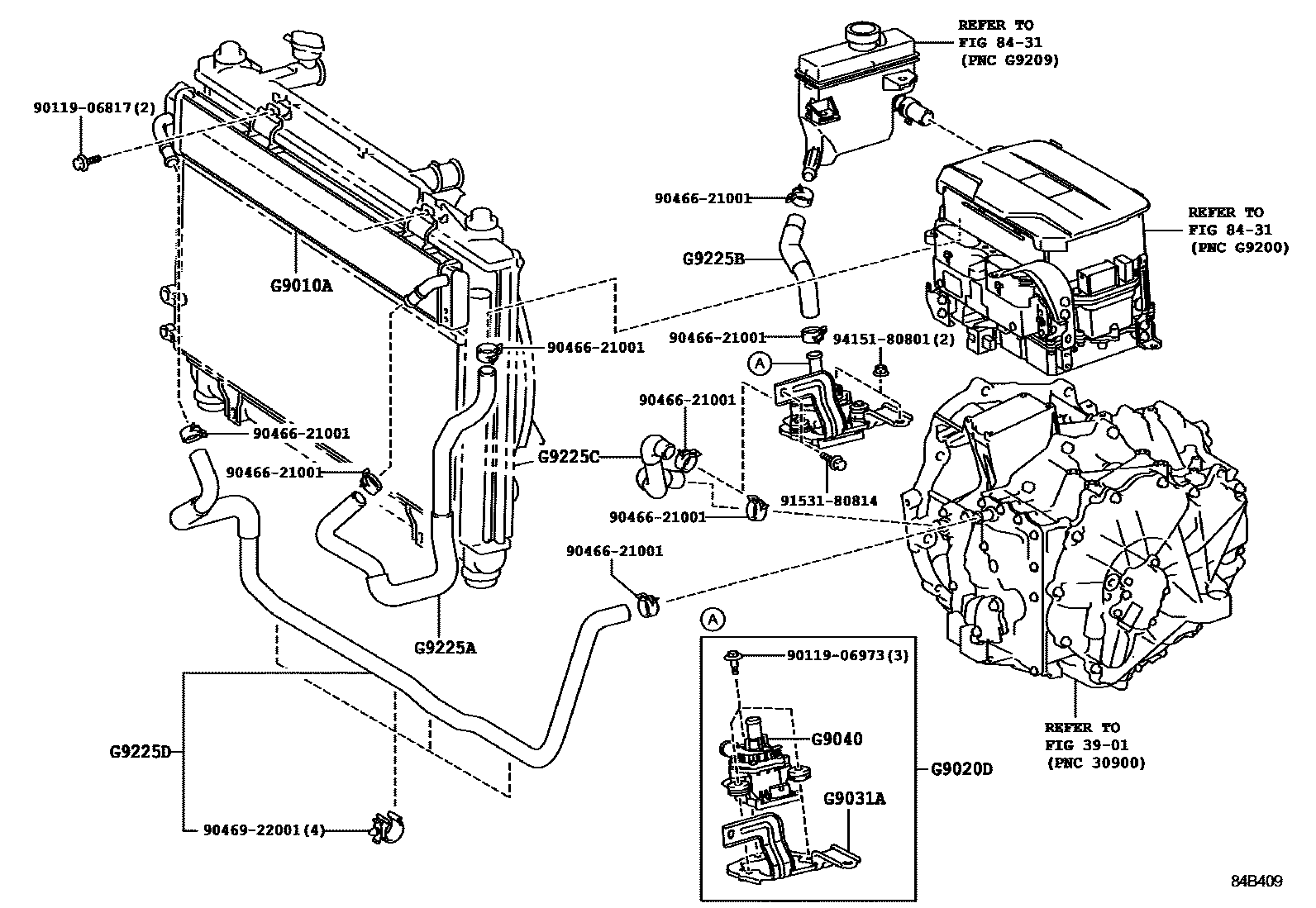
INVERTER COOLING

3901TRANSAXLE ASSY(HEV OR BEV OR FCEV)
8431HEV INVERTER
G9010ARADIATOR ASSY
G9020DPUMP ASSY, WATER W/MOTOR & BRACKET
G9031ABRACKET SUB-ASSY, HV WATER PUMP
G9040INVERTER WATER PUMP ASSY(W/MOTOR)
G9225AHOSE, INVERTER COOLING, NO.7
G9225BHOSE, INVERTER COOLING, NO.8
G9225CHOSE, INVERTER COOLING, NO.9
G9225DHOSE, INVERTER COOLING, NO.10
9011906817
main90119-06817
9011906973
main90119-06973
9046621001
main90466-21001
9046922001
main90469-22001
9153180814
main91531-80814
9415180801
main94151-80801
16 parts on this diagram · 1 diagram in section