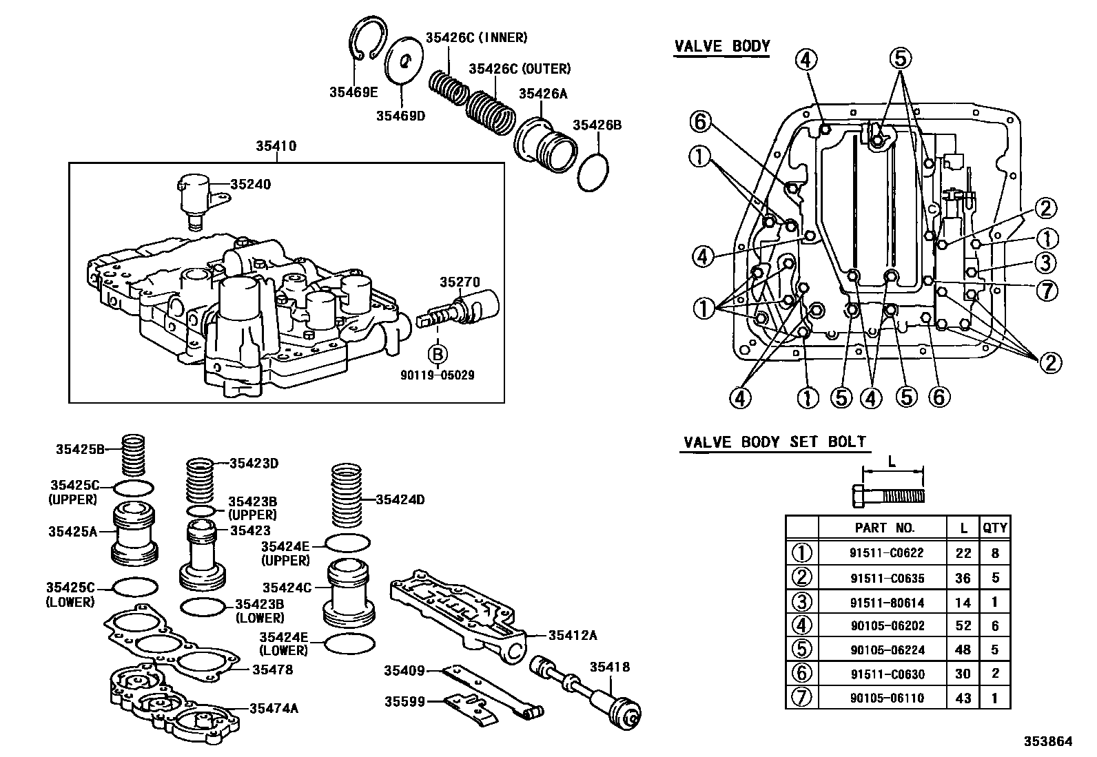
VALVE BODY & OIL STRAINER (ATM)

35240SOLENOID ASSY, AUTOMATIC TRANSMISSION 3WAY
35270SOLENOID ASSY, SHIFT CONTROL
35409SPRING SUB-ASSY, MANUAL DETENT
35410BODY ASSY, TRANSMISSION VALVE
35412ABODY, MANUAL VALVE
35423PISTON, B-2 ACCUMULATOR
35423BRING, O (FOR B-2 ACCUMULATOR PISTON)
UPPER
LOWER
35423DSPRING, COMPRESSION (FOR B-2 ACCMULATOR PISTON)
35424DSPRING, COMPRESSION (FOR C-1 ACCUMULATOR PISTON)
35424ERING, O (FOR C-1 ACCUMULATOR PISTON)
UPPER
LOWER
LOWER
UPPER
35425APISTON, C-2 ACCUMULATOR
35425BSPRING, COMPRESSION (FOR C-2 ACCUMULATOR PISTON)
35425CRING, O (FOR C-2 ACCUMULATOR PISTON)
UPPER
LOWER
35426APISTON, C-0 ACCUMULATOR
35426BRING, O (FOR C-0 ACCUMULATOR PISTON)
35426CSPRING, COMPRESSION (FOR C-0 ACCUMULATOR PISTON)
INNER
OUTER
35469DSPACER (FOR C-0 ACCUMULATOR PISTON)
35469ERING, SNAP (FOR C-0 ACCUMULATOR PISTON SPACER)
35474ACOVER, ACCUMULATOR
35478GASKET, ACCUMULATOR COVER
35599COVER, MANUAL DETENT SPRING
9010506110
main90105-06110
9010506202
main90105-06202
9010506224
main90105-06224
9011905029
main90119-05029
9151180614
main91511-80614
91511C0622
main91511-C0622
91511C0630
main91511-C0630
91511C0635
main91511-C0635
31 parts on this diagram · 4 diagrams in section