E
EPC Data

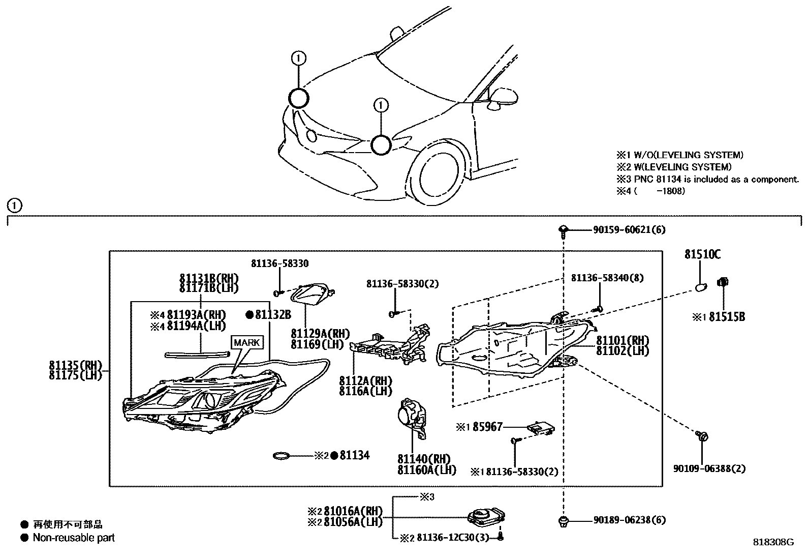
HEADLAMP

Parts diagram
81016ACOMPUTER SUB-ASSY, HEADLAMP, RH
main81016-33A30i202008-202101
REFER TO PNC 81135
main81016-33D50i201709-202008
REFER TO PNC 81135
main81016-33E70i201712-201910
REFER TO PNC 81135
main81016-33E71i201910-202101
ATARA SL,REFER TO PNC 81135; LIMITED,REFER TO PNC 81135; REFER TO PNC 81135
81056ACOMPUTER SUB-ASSY, HEADLAMP, LH
main81056-33D10i201709-202008
REFER TO PNC 81175
main81056-33E10i201712-201910
REFER TO PNC 81175
main81056-33E11i202102
LIMITED&REAR COMBINATION LAMP-HIGH GRADE(ALL LED) BLACK; REAR COMBINATION LAMP-HIGH GRADE(ALL LED) BLACK
main81056-33E80i202008-202101
REFER TO PNC 81175
81101HOUSING SUB-ASSY, HEADLAMP, RH
main81101-33070i201902-202101
main81101-33110i202102
81102HOUSING SUB-ASSY, HEADLAMP, LH
main81102-33060i201902-202101
main81102-33110i202102
81129AREFLECTOR, HEADLAMP, RH
main81129-33D50i201709-202101
8112AUNIT, HEADLAMP CLEARANCE LED, NO.1 RH
main8112A-33D50i201709-202101
81131BHEAD LAMP LENS, RH
main81131-33A30i202102
main81131-33D50i201709-201808
REFER TO PNC 81135
main81131-33D51i201808-202008
LE PACKAGE(KOREA SPEC),REFER TO PNC 81135; REFER TO PNC 81135
main81131-33D91i201910-202101
ATARA SL,REFER TO PNC 81135; REFER TO PNC 81135
main81131-33E00i201712-201910
REFER TO PNC 81135
main81131-33E10i201712-201910
REFER TO PNC 81135
main81131-33E11i201910-202101
LIMITED,REFER TO PNC 81135; REFER TO PNC 81135
main81131-33E80i201712-201910
REFER TO PNC 81135
main81131-33K40i202102
REAR COMBINATION LAMP-HIGH GRADE(ALL LED) BLACK
main81131-33K50i202102
81132BGASKET, HEADLAMP LENS
main81132-48C30×2i202102
LIMITED&REAR COMBINATION LAMP-HIGH GRADE(ALL LED) BLACK; REAR COMBINATION LAMP-HIGH GRADE(ALL LED) BLACK
main81132-58330×2i201709-202101
81134GASKET, HEADLAMP
main81134-58340×4i202102
main90075-23003×4i202102
LIMITED&REAR COMBINATION LAMP-HIGH GRADE(ALL LED) BLACK; REAR COMBINATION LAMP-HIGH GRADE(ALL LED) BLACK
81135UNIT ASSY, HEADLAMP, RH
main81145-33A20i201909-202008
LE PACKAGE(KOREA SPEC),MARK=K; MARK=K
main81145-33A30i202008-202101
MARK=A
main81145-33D50i201709-201808
MARK=G
main81145-33D51i201808-202008
MARK=G
main81145-33D71i201810-201909
MARK=K
main81145-33D80i201712-201808
MARK=O
main81145-33D81i201808-202101
MARK=O
main81145-33D92i201910-202101
ATARA SL,MARK=M; MARK=M
main81145-33E00i201712-201808
MARK=S
main81145-33E01i201808-201910
ATARA SL,MARK=S; MARK=S
main81145-33E10i201712-201808
MARK=W
main81145-33E11i201808-201910
LIMITED,MARK=W; MARK=W
main81145-33E12i201910-202101
LIMITED,MARK=X; MARK=X
main81145-33E80i201712-201808
MARK=Z
main81145-33E81i201808-201910
MARK=Z
main81145-33G00i202008-202101
MARK=U OR Z
main81145-33K10i202102
main81145-33K40i202102
REAR COMBINATION LAMP-HIGH GRADE(ALL LED) BLACK
main81145-33K50i202102
81140UNIT ASSY, HEADLAMP LED, RH
main81140-33A30i202102
main81140-33D50i201709-202008
REFER TO PNC 81135
main81140-33D70i201712-202101
REFER TO PNC 81135
main81140-33G00i202102
81160AUNIT ASSY, HEADLAMP LED, LH
main81160-33D10i201709-202008
REFER TO PNC 81175
main81160-33D30i201712-202008
REFER TO PNC 81175
main81160-33E80i202008-202101
REFER TO PNC 81175
main81160-33G00i202102
81169REFLECTOR, HEADLAMP, LH
main81169-33D10i202102
8116AUNIT, HEADLAMP CLEARANCE LED, NO.1 LH
main8116A-33D10i201709-202101
81171BHEAD LAMP LENS, LH
main81171-33D10i201709-201808
REFER TO PNC 81175
main81171-33D11i201808-202008
LE PACKAGE(KOREA SPEC),REFER TO PNC 81175; REFER TO PNC 81175
main81171-33D51i201910-202101
ATARA SL,REFER TO PNC 81175; REFER TO PNC 81175
main81171-33D60i201712-201910
REFER TO PNC 81175
main81171-33D70i201712-201910
REFER TO PNC 81175
main81171-33D71i201910-202101
LIMITED,REFER TO PNC 81175; REFER TO PNC 81175
main81171-33E20i201712-201910
REFER TO PNC 81175
main81171-33E80i202008-202101
REFER TO PNC 81175
main81171-33K40i202102
REAR COMBINATION LAMP-HIGH GRADE(ALL LED) BLACK
main81171-33K50i202102
81175UNIT ASSY, HEADLAMP, LH
main81185-33C70i201909-202008
LE PACKAGE(KOREA SPEC),MARK=K; MARK=K
main81185-33D10i201709-201808
MARK=G
main81185-33D11i201808-202008
MARK=G
main81185-33D31i201810-201909
MARK=K
main81185-33D40i201712-201808
MARK=O
main81185-33D41i201808-202101
MARK=O
main81185-33D52i201910-202101
ATARA SL,MARK=M; MARK=M
main81185-33D60i201712-201808
MARK=S
main81185-33D61i201808-201910
ATARA SL,MARK=S; MARK=S
main81185-33D70i201712-201808
MARK=W
main81185-33D71i201808-201910
LIMITED,MARK=W; MARK=W
main81185-33D72i202102
LIMITED&REAR COMBINATION LAMP-HIGH GRADE(ALL LED) BLACK
main81185-33E20i201712-201808
MARK=Z
main81185-33E21i201808-201910
MARK=Z
main81185-33E80i202008-202101
MARK=A
main81185-33G00i202008-202101
MARK=U OR Z
main81185-33K10i202102
main81185-33K40i202102
REAR COMBINATION LAMP-HIGH GRADE(ALL LED) BLACK
main81185-33K50i202102
81193APROTECTOR, HEADLAMP, RH
main81117-33D50i201709-201808
REFER TO PNC 81135
main81117-33E70i201712-201808
REFER TO PNC 81135
81194APROTECTOR, HEADLAMP, LH
main81157-33D10i201709-201808
REFER TO PNC 81175
main81157-33E10i201712-201808
REFER TO PNC 81175
81510CBULB (FOR FRONT TURN SIGNAL LAMP)
main90981-15011×2i201709-202101
12V 21W,AMBER
81515BSOCKET, FRONT TURN SIGNAL LAMP
main81515-42050×2i202102
85967COMPUTER, LIGHT CONTROL
main85967-33050×2i201712-202101
8113612C30PROTECTOR, HEADLAMP, NO.1 RH
8113658330PROTECTOR, HEADLAMP, NO.1 RH
8113658340PROTECTOR, HEADLAMP, NO.1 RH
9010906388
9015960621
9018906238

27 parts on this diagram · 3 diagrams in section

HEADLAMP — Toyota Parts Diagram with OEM Numbers & Prices | EPC Data