17119ABRACKET, AIR CLEANER
main17119-0H010i2AZFE..ACV30..(IDN,VN)..5F;1AZFE,2AZFE..ACV3#..(IDN,MA,PHL,TH)..4FC200203-200611 (L)
main17119-28040i2AZFE..ACV30;1AZFE..ACV31..RHD200203-200611 (J)
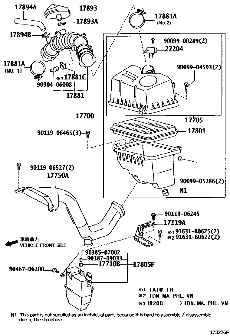
17700CLEANER ASSY, AIR
main17700-20200i1MZFE..MCV30..(IDN,TAIW,VN)..4FC200209-200407 main17700-28160i1AZFE,2AZFE..ACV3#..IDN,MA,PHL,VN200205-200407 17705CAP SUB-ASSY, AIR CLEANER
main17705-20170i1MZFE..MCV30..(IDN,TAIW,VN)..4FC200203-200407 main17705-28120i1AZFE,2AZFE..ACV3#..IDN,MA,PHL,VN200205-200407 17710BGROMMET
main90480-17013i1AZFE,2AZFE..ACV3#..4FC;2AZFE..ACV30..(IDN,VN)..5F200203-200407 17750AINLET ASSY, AIR CLEANER
main17750-0H020i2AZFE..ACV30;1AZFE..ACV31..RHD200203-200407 17801ELEMENT SUB-ASSY, AIR CLEANER FILTER
main17801-0H020i1AZFE,2AZFE..ACV3#..4FC;2AZFE..ACV30..(IDN,VN)..5F200203-200407 (L)
main17801-20040i1AZFE,2AZFE..ACV3#..4FC;2AZFE..ACV30..(IDN,VN)..5F200203-200407 (J)
17805FRESONATOR SUB-ASSY, INTAKE AIR
main17805-28010i2AZFE..ACV30..(IDN,VN)..5F;1AZFE,2AZFE..ACV3#..(IDN,MA,PHL,TH)..4FC200203-200407 17881HOSE, AIR CLEANER, NO.1
main17881-20130i1MZFE..MCV30..(IDN,TAIW,VN)..4FC200203-200611 main17881-28140i1AZFE,2AZFE..ACV3#..IDN,MA,PHL,VN200205-200407 17881ACLAMP(FOR AIR CLEANER HOSE, NO.1)
main90466-62002i2AZFE..ACV30..(IDN,VN)..5F;1AZFE,2AZFE..ACV3#..(IDN,MA,PHL,TH)..4FC200203-200407 NO.1
main96111-10830i1AZFE,2AZFE..ACV3#..4FC;2AZFE..ACV30..(IDN,VN)..5F200203-200407 NO.2
main96111-10850i1MZFE..MCV30..(IDN,TAIW,VN)..4FC200203-200611 NO.2
main96111-10880i1MZFE..MCV30..(IDN,TAIW,VN)..4FC200203-200611 NO.1
17881CCLAMP(FOR AIR CLEANER HOSE, NO.1)
main90467-31003i1AZFE,2AZFE..ACV3#..MA,PHL,VN200208-200407 17893RESONATOR, INTAKE AIR
main17893-20070i1MZFE..MCV30..(IDN,TAIW,VN)..4FC200203-200611 main17893-28040i1AZFE,2AZFE..ACV3#..MA,PHL,VN200203-200407 17893ACLAMP, HOSE
main96111-10430i1AZFE,2AZFE..ACV3#..MA,PHL,VN200203-200407 17894ARESONATOR, INTAKE AIR, NO.2
main17894-28020i2AZFE..ACV30..(IDN,VN)..5F;1AZFE,2AZFE..ACV3#..(IDN,MA,PHL,TH)..4FC200203-200407 17894BCLAMP, HOSE(FOR INTAKE AIR RESONATOR, NO.2)
main96111-10480i1AZFE,2AZFE..ACV3#..MA,PHL,VN200203-200407 22204METER SUB-ASSY, INTAKE AIR FLOW
main22204-21010i1AZFE..ACV31..MA,TAIW,TH;2AZFE..ACV30..MA,PHL,TH,VN200203-200407 main22204-22010i1MZFE..MCV30..VN..5FC;1MZFE..MCV30..PHL,TAIW,TH200203-200407