E
EPC Data

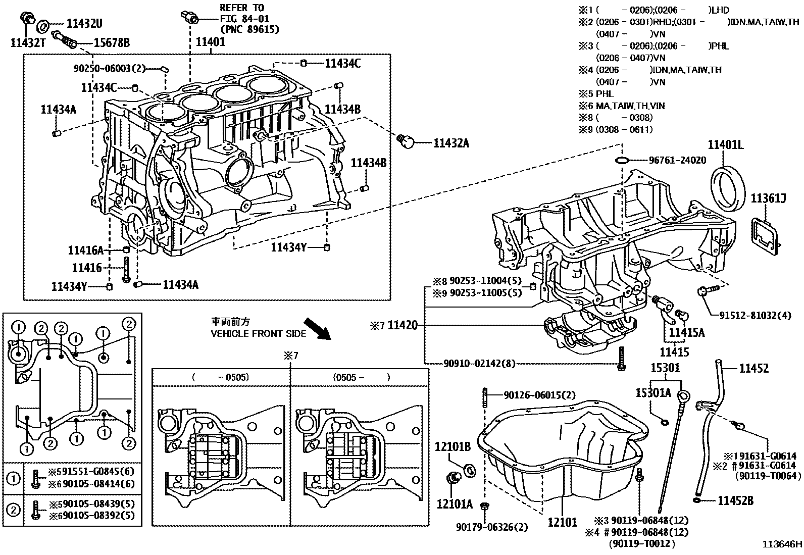
CYLINDER BLOCK

Parts diagram
11361JCOVER, FLYWHEEL HOUSING UNDER
main11361-28010i200404
11401BLOCK SUB-ASSY, CYLINDER
main11401-29516i200203-200309
main11401-29556i200404
main11401-80702i200309-200405
main11410-09050i200203-200309
(L)
main11410-29105i200203-200309
(J)
main11410-29115i200203-200309
main11410-29185i200309-200407
main11410-29195i200309-200407
main11410-29315i200404-200608
main11410-29316i200608
main11410-29325i200510-200608
main11410-29326i200608
11401LSEAL, ENGINE REAR OIL
main90080-31082i200203-200407
(L)
main90311-89003i200203-200407
(J)
11415COCK SUB-ASSY, WATER DRAIN(FOR CYLINDER BLOCK)
main90910-09095i200203-200404
main90910-09120i200404
11415APLUG, WATER DRAIN COCK(FOR CYLINDER BLOCK)
main90910-09087i200203-200407
11416BOLT(FOR CRANKSHAFT BEARING CAP SET)
main90910-02114×16i200203-200407
main90910-02124×10i200404
11416APIN, RING(FOR CRANKSHAFT BEARING CAP SET)
main90253-13017×10i200404
11420CRANKCASE ASSY, STIFFENING
main11420-28011i200203-200405
main11420-28031i200508
main11420-28040i200505-200508
11432APLUG, W/HEAD TAPER SCREW, NO.1
main90345-52001i200203-200407
11432TPLUG, W/HEAD STRAIGHT SCREW, NO.3(FOR CYLINDER BLOCK)
main90341-14013i200203-200405
main90341-20013i200203-200404
11432UGASKET, STRAIGHT SCREW PLUG NO.1(FOR CYLINDER BLOCK)
main90430-14009i200203-200304
main90430-14011i200404
main90430-16009i200203-200404
11434APIN, STRAIGHT(FOR TIMING GEAR COVER SET)
main90250-08074×2i200203-200302
L=15,OD=8
main90250-08120×2i200404
L=18,OD=8
11434BPIN, STRAIGHT(FOR CLUTCH HOUSING SET)
main90250-10113×2i200203-200404
L=22,OD=10
11434CPIN, STRAIGHT (FOR CYLINDER HEAD SET)
main90250-04097i200203-200404
L=12,OD=4.0
main90253-14003×2i200404
L=12,OD=14
11434YPIN, STRAIGHT(FOR OIL PAN)
main90250-04097×2i200203-200404
main90250-08074×2i200203-200407
11452GUIDE, OIL LEVEL GAGE
main11452-0H020i200203-200208
*110
main11452-0H021i200404
*110
main11452-20020i200203-200404
main11452-28010i200203-200301
main11452-28011i200407-200510
main11452-28020i200301-200404
*109
main11452-28040i200510
11452BRING, O(FOR OIL LEVEL GAGE GUIDE)
main96721-19010i200203-200407
12101PAN SUB-ASSY, OIL
main12101-0H020i200203-200404
(L)
main12101-28030i200203-200405
(J)
main12111-20032i200405
main12111-20060i200404
12101APLUG(FOR OIL PAN DRAIN)
main90341-12012i200203-200405
12101BGASKET(FOR OIL PAN DRAIN PLUG)
main90430-12031i200203-200405
15301GAGE SUB-ASSY, OIL LEVEL
main15301-20021i200203-200405
main15301-28030i200404
main15301-28040i200301-200304
main15301-28041i200407-200510
15301ARING, O(FOR OIL LEVEL GAGE)
main96741-19005i200203-200301
15678BFILTER, OIL CONTROL VALVE
main15678-28010i200404
8401SWITCH & RELAY & COMPUTER
9010508392
9010508414
9010508439
9011906848
90119T0012
90119T0064
9012606015
9017906326
9025006003
9025311004
9025311005
9091002142
9151281032
91551G0845
91631G0614
9676124020

40 parts on this diagram · 2 diagrams in section

CYLINDER BLOCK — Toyota Parts Diagram with OEM Numbers & Prices | EPC Data