E
EPC Data

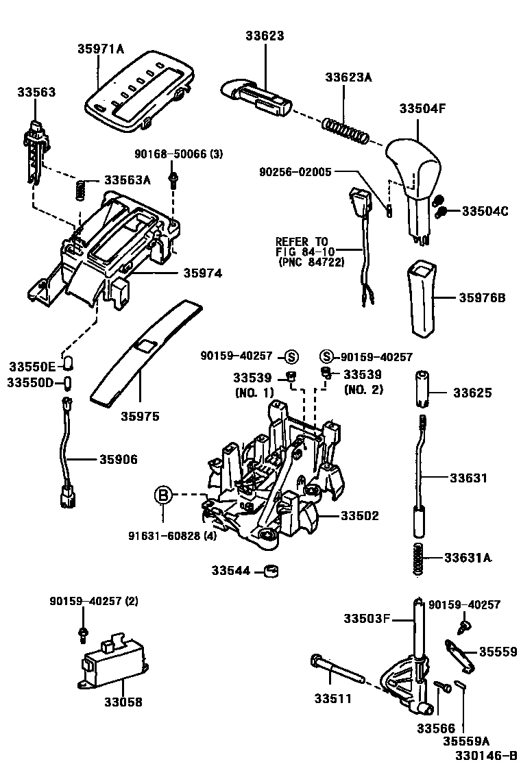
SHIFT LEVER & RETAINER

Parts diagram
33058BRACKET SUB-ASSY, SHIFT LOCK SOLENOID
main33560-33010i199810
main33560-33020i199608
33502PLATE SUB-ASSY, SHIFT LEVER
main33521-33030i199810
main33521-33040i199608
33503FLEVER SUB-ASSY, SHIFT(FOR FLOOR SHIFT)
main33055-33080i199810
main33055-33090i199608
33504CSCREW (FOR SHIFT LEVER KNOB SETTING)
main90159-40238×2i199608
33504FKNOB SUB-ASSY, SHIFT LEVER
main33542-33090-C0i199810
BLACK,TRIM2#
main33542-33090-E0i199810
OAK,TRIM0#
main33542-33090-G0i199810
DK.SAGE,TRIM6#
main33542-33100-G0i199608-200101
URETHANE,DK.SAGE,TRIM6#
main33542-33110-C0i199908
LEATHER,BLACK,TRIM2#
main33542-33110-E0i199608
LEATHER,OAK,TRIM0#
main33542-33110-G0i199608
LEATHER,DK.SAGE,TRIM6#
33511SHAFT, CONTROL (FOR FLOOR SHIFT)
main33511-33020i199608
33539CUSHION, SHIFT LEVER ANTI-RATTLE
main33539-33010i199608
NO.1
main33539-33020i199810
NO.2
main33539-33030i199608
NO.2
33544INSERT, SHIFT LEVER, NO.1
main33544-33010×4i199608
33550DBULB, POSITION INDICATOR LAMP
main90981-11018i199608
12V 1.2W W/O SOCKET
33550ECAP, POSITION INDICATOR LAMP
main90339-04055i199608
33563BUTTON, SHIFT LOCK RELEASE
main33563-33090i199810
main33563-33110i199608
33563ASPRING, COMPRESSION (FOR SHIFT LOCK RELEASE BUTTON)
main90501-06089i199608
33566PIN, SHIFT LEVER STOP
main90256-04008i199608
33623BUTTON, SHIFT LEVER KNOB
main33623-33070-C0i199810
BLACK,TRIM2#
main33623-33070-E0i199810-199908
OAK,TRIM0#
main33623-33070-G0i199810
DK.SAGE,TRIM6#
main33623-33080-C0i199908
BLACK,TRIM2#
main33623-33080-E0i199608
OAK,TRIM0#
main33623-33080-G0i199608
DK.SAGE,TRIM6#
33623ASPRING, COMPRESSION (FOR SHIFT LEVER KNOB BUTTON)
main90501-07009i199608
33625SLEEVE, SHIFT LEVER KNOB
main33625-33030i199608
33631ROD, DETENT
main33631-33070i199608
33631ASPRING, COMPRESSION (FOR DETENT ROD)
main90501-07115i199608
35559SPRING, MANUAL DETENT
main35559-33030i199608
35559APIN (FOR MANUAL DETENT SPRING)
main90249-02005i199608
35906WIRE SUB-ASSY, INDICATOR LAMP
main35906-33050i199810
main35906-33060i199608
35971AHOUSING, POSITION INDICATOR, UPPER
main35971-33080i199810
main35971-33100i199608
35974HOUSING, POSITION INDICATOR, LOWER
main35974-33080i199810
main35974-33090i199608
35975COVER, SLIDE (FOR POSITION INDICATOR)
main35975-33040i199608
35976BCOVER, SHIFT LEVER KNOB (FOR FLOOR SHIFT)
main35976-33040-C0i199810-199908
BLACK,TRIM2#
main35976-33040-E0i199608
OAK,TRIM0#
main35976-33040-G0i199608
DK.SAGE,TRIM6#
8410OVERDRIVE & ELECTRONIC CONTROLLED TRANSMISSION
9015940257
9016850066
9025602005
9163160828

30 parts on this diagram · 3 diagrams in section

SHIFT LEVER & RETAINER — Toyota Parts Diagram with OEM Numbers & Prices | EPC Data