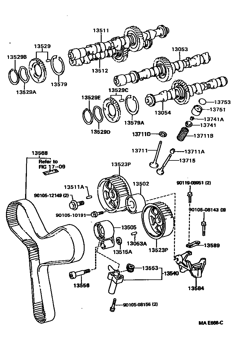
CAMSHAFT & VALVE

13053CAMSHAFT SUB-ASSY, NO.3
13053APIN, STRAIGHT, NO.3(FOR CAMSHAFT KNOCK)
L=15,OD=5
13054CAMSHAFT SUB-ASSY, NO.4
13502IDLER SUB-ASSY, TIMING BELT, NO.2
13505IDLER SUB-ASSY, TIMING BELT, NO.1
13511CAMSHAFT
13511APIN, STRAIGHT(FOR CAMSHAFT KNOCK)
L=15,OD=5
13512CAMSHAFT, NO.2
13515AWASHER, PLATE(FOR DISTRIBUTOR DRIVE GEAR)
13523PPULLEY, CAMSHAFT TIMING
13529GEAR, CAMSHAFT SUB
13529AWASHER, WAVE(FOR CAMSHAFT SUB GEAR)
13529BRING, SHAFT SNAP(FOR CAMSHAFT SUB GEAR)
13529CGEAR, CAMSHAFT SUB, NO.3
13529DWASHER, WAVE(FOR CAMSHAFT SUB GEAR, NO.3)
13529ERING, SHAFT SNAP(FOR CAMSHAFT SUB GEAR, NO.3)
13540TENSIONER ASSY, CHAIN, NO.1
13553COVER, CHAIN TENSIONER DUST
13556SHAFT, TIMING BELT IDLER
13579WASHER, CAMSHAFT TIMING GEAR BOLT
13579AWASHER, CAMSHAFT TIMING GEAR BOLT, NO.3
13584BRACKET, TIMING BELT IDLER
13589STAY, IDLER BRACKET
13711VALVE, INTAKE
AISAN
13711ASEAL OR RING, O(FOR VALVE STEM OIL)
EXHAUST SIDE
INTAKE SIDE
EXHAUST SIDE
13711BSPRING, COMPRESSION(FOR INNER)
CHUMATU
13711DWASHER, PLATE(FOR VALVE SPRING SEAT)
13715VALVE, EXHAUST
13741RETAINER, VALVE SPRING
13741ALOCK, VALVE SPRING RETAINER
13751LIFTER, VALVE
13753SHIM, VALVE ADJUSTING
T=2.50
T=2.55
T=2.60
T=2.65
T=2.70
T=2.75
T=2.80
T=2.85
T=2.90
T=2.95
T=3.00
T=3.05
T=3.10
T=3.15
T=3.20
T=3.25
T=3.30
1709CAUTION PLATE & NAME PLATE (ENGINE)
9010508143
main90105-08143
9010508156
main90105-08156
9010510191
main90105-10191
9010512149
main90105-12149
9011908951
main90119-08951
39 parts on this diagram · 1 diagram in section