E
EPC Data

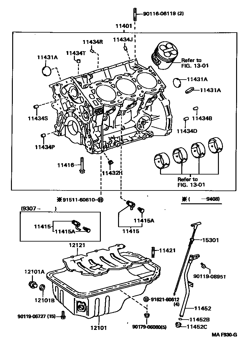
CYLINDER BLOCK

Parts diagram
11401BLOCK SUB-ASSY, CYLINDER
main11401-69457i199203-199608
11415COCK SUB-ASSY, WATER DRAIN(FOR CYLINDER BLOCK)
main90910-09095i199307-199608
main90910-09100i199203-199307
11415APLUG, WATER DRAIN COCK(FOR CYLINDER BLOCK)
main90910-09087i199307-199608
main96432-23814i199203-199307
11416BOLT(FOR CRANKSHAFT BEARING CAP SET)
main90910-02072×8i199203-199608
11421BOLT, STUD(FOR OIL PAN)
main90116-06119×2i199203-199608
11431APLUG, TIGHT, NO.1(FOR CYLINDER BLOCK)
main90331-35005×11i199406-199608
main96411-43500×11i199203-199406
11432HPLUG, W/HEAD TAPER SCREW, NO.5
main90344-53015×2i199203-199608
11434BPIN, STRAIGHT(FOR CLUTCH HOUSING SET)
main90250-10113×2i199203-199608
L=22,OD=10
11434DPIN, STRAIGHT(FOR ENGINE REAR OIL SEAL)
main90250-06003×2i199203-199608
L=14,OD=6
11434JPIN, RING (FOR CYLINDER HEAD SET)
main90253-16001×4i199203-199608
11434PPIN, STRAIGHT(FOR OIL PUMP SET)
main90253-11021×2i199203-199608
L=8,OD=11
11434RPIN, STRAIGHT(FOR DRIVE SHAFT BEARING BRACKET)
main90250-06003×2i199203-199608
11434SPIN, RING(FOR WATER PUMP SET)
main90253-11021×2i199203-199608
11434TPIN, RING(FOR TIMING BELT IDLER BRACKET SET)
main90253-11021×2i199203-199608
11452GUIDE, OIL LEVEL GAGE
main11452-62030i199203-199608
11452BRING, O(FOR OIL LEVEL GAGE GUIDE)
main96721-19010i199203-199608
11452CUNION(FOR OIL LEVEL GAGE GUIDE)
main90405-10033i199203-199608
12101PAN SUB-ASSY, OIL
main12101-62060i199203-199608
12101APLUG(FOR OIL PAN DRAIN)
main90341-12012i199203-199608
12101BGASKET(FOR OIL PAN DRAIN PLUG)
main90430-12027i199203-199312
main90430-12031i199312-199608
12121PLATE, OIL PAN BAFFLE, NO.1
main12122-62020i199203-199608
1301CRANKSHAFT & PISTON
15301GAGE SUB-ASSY, OIL LEVEL
main15301-62040i199203-199608
9011606119
9011906727
9011908951
9017906080
9151160610
9162160612

29 parts on this diagram · 1 diagram in section

CYLINDER BLOCK — Toyota Parts Diagram with OEM Numbers & Prices | EPC Data