E
EPC Data

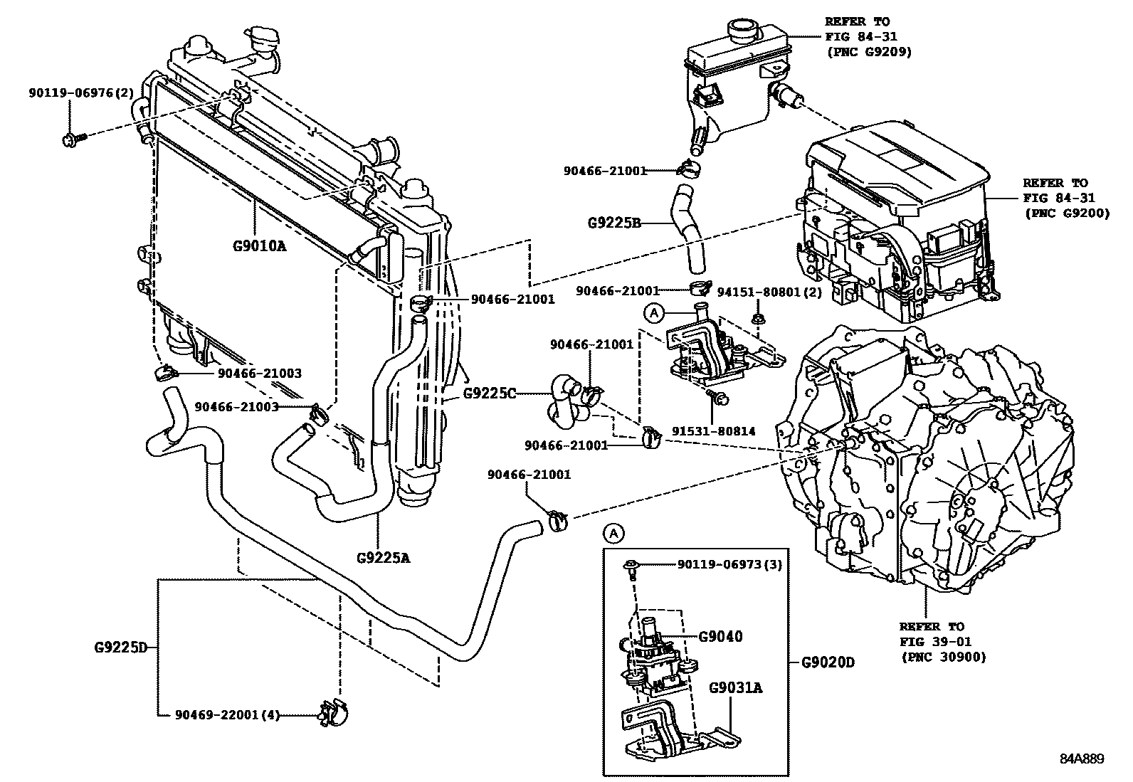
INVERTER COOLING

Parts diagram
3901TRANSAXLE ASSY(HEV OR BEV OR FCEV)
8431HEV INVERTER
G9010ARADIATOR ASSY
mainG901033020i200907
G9020DPUMP ASSY, WATER W/MOTOR & BRACKET
mainG902033010i200907
G9031ABRACKET SUB-ASSY, HV WATER PUMP
mainG903133010i200907
G9040INVERTER WATER PUMP ASSY(W/MOTOR)
mainG904033010i200907
G9225AHOSE, INVERTER COOLING, NO.7
mainG922533020i200907
G9225BHOSE, INVERTER COOLING, NO.8
mainG922533030i200907
G9225CHOSE, INVERTER COOLING, NO.9
mainG922533040i200907
G9225DHOSE, INVERTER COOLING, NO.10
mainG922533050i200907
9011906973
9011906976
9046621001
9046621003
9046922001
9153180814
9415180801

17 parts on this diagram · 1 diagram in section

INVERTER COOLING — Toyota Parts Diagram with OEM Numbers & Prices | EPC Data