E
EPC Data

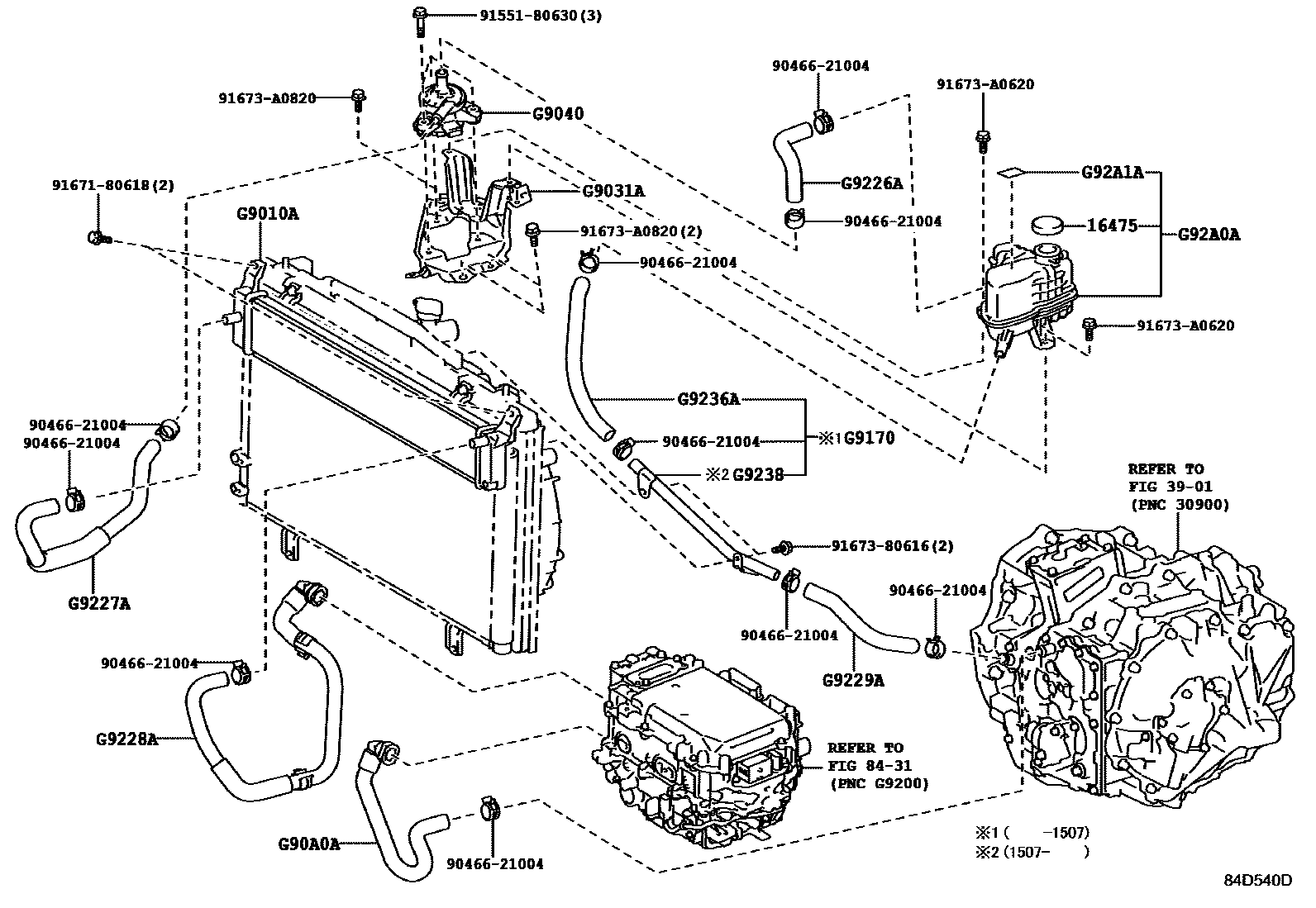
INVERTER COOLING

Parts diagram
16475CAP, RESERVE TANK
main16475-28140i201605
main16475-37010i201206-201410
main16475-37011i201410-201507
3901TRANSAXLE ASSY(HEV OR BEV OR FCEV)
8431HEV INVERTER
G9010ARADIATOR ASSY
mainG901033050i201206-201507
G9031ABRACKET SUB-ASSY, HV WATER PUMP
mainG903133030i201206-201507
G9040INVERTER WATER PUMP ASSY(W/MOTOR)
mainG904033030i201206-201507
G90A0AHOSE ASSY, INVERTER COOLING, NO.1
mainG90A033010i201206-201507
G9170PIPE ASSY, INVERTER COOLING NO.1
mainG917033010i201206-201507
G9226AHOSE, INVERTER COOLING, NO.2
mainG922633010i201507
G9227AHOSE, INVERTER COOLING, NO.3
mainG922733010i201206-201507
G9228AHOSE, INVERTER COOLING, NO.4
mainG90D033010i201206-201507
G9229AHOSE, INVERTER COOLING, NO.5
mainG922933010i201206-201507
mainG922933020i201507
G9236AHOSE, INVERTER COOLING, NO.6
mainG923633010i201206-201507
G9238PIPE, INVERTER COOLING
mainG923833020i201507
G92A0ATANK ASSY, INVERTER RESERVE
mainG92A033010i201206-201409
mainG92A033011i201410-201507
G92A1ALABEL, HYBRID COOLANT SYSTEM INFORMATION
mainG92A176010i201206-201507
9046621004
9155180630
9167180618
9167380616
91673A0620
91673A0820

22 parts on this diagram · 1 diagram in section

INVERTER COOLING — Toyota Parts Diagram with OEM Numbers & Prices | EPC Data