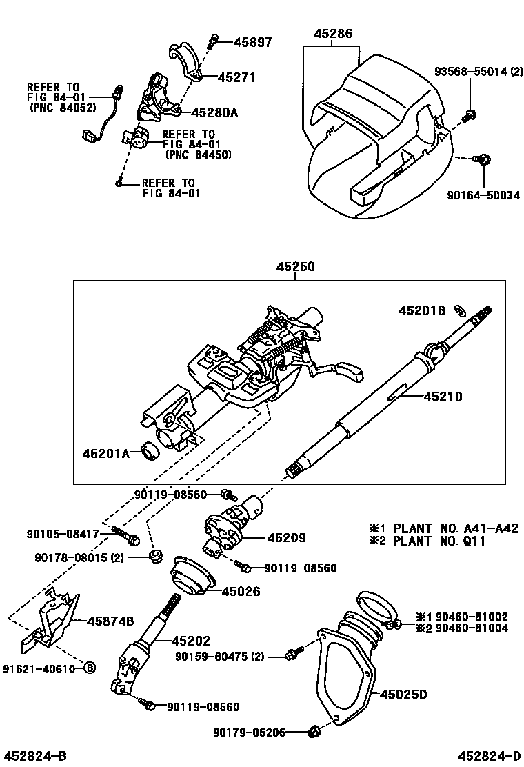
STEERING COLUMN & SHAFT

45025DCOVER SUB-ASSY, STEERING COLUMN HOLE, NO.1
45026COVER SUB-ASSY, STEERING COLUMN HOLE, NO.2
45201ABEARING(FOR STEERING MAIN SHAFT)
45201BRING, SHAFT SNAP(FOR STEERING MAIN SHAFT)
T=1.20
45202SHAFT SUB-ASSY, STEERING INTERMEDIATE
45209YOKE SUB-ASSY, STEERING SLIDING
45210SHAFT ASSY, STEERING MAIN
45250COLUMN ASSY, STEERING
45271CLAMP, STEERING COLUMN, UPPER
45280ABRACKET ASSY, STEERING COLUMN, UPPER
45286COVER, STEERING COLUMN
SADDLE GRAY,TRIM1#
BLACK,TRIM2#
SANDAL WOOD,TRIM0#
SADDLE GRAY,TRIM1#
BLACK,TRIM2#
SANDAL WOOD,TRIM0#
SADDLE GRAY,TRIM1#
BLACK,TRIM2#
SANDAL WOOD,TRIM0#
MD.GRAY,TRIM1#
BLACK,TRIM2#
SANDAL WOOD,TRIM0#
MD.GRAY,TRIM1#
BLACK,TRIM2#
SANDAL WOOD,TRIM0#
45874BPROTECTOR, STEERING COLUMN, NO.1
45897BOLT, STEERING LOCK SET
8401SWITCH & RELAY & COMPUTER
9010508417
main90105-08417
9011908560
main90119-08560
9015960475
main90159-60475
9016450034
main90164-50034
9017808015
main90178-08015
9017906206
main90179-06206
9046081002
main90460-81002
9046081004
main90460-81004
9162140610
main91621-40610
9356855014
main93568-55014
24 parts on this diagram · 3 diagrams in section