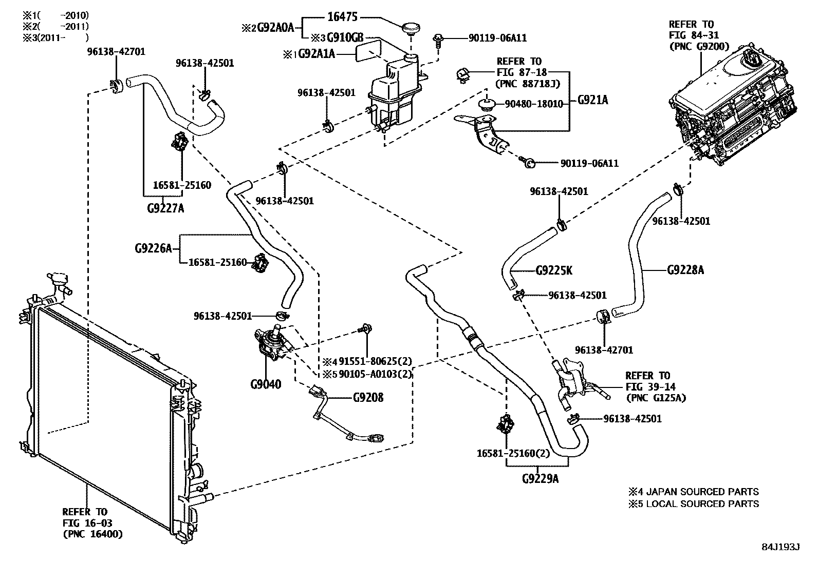
INVERTER COOLING

1603
16475CAP, RESERVE TANK
3914
8431
8718
G910GBTANK SUB-ASSY, INVERTER RESERVE W/O CAP
G9208WIRE SUB-ASSY, INVERTER
G921ABRACKET, INVERTER RESERVE TANK, NO.1
G9225KHOSE, INVERTER COOLING, NO.1
G9226AHOSE, INVERTER COOLING, NO.2
G9227AHOSE, INVERTER COOLING, NO.3
G9228AHOSE, INVERTER COOLING, NO.4
G9229AHOSE, INVERTER COOLING, NO.5
G92A0ATANK ASSY, INVERTER RESERVE
G92A1ALABEL, HYBRID COOLANT SYSTEM INFORMATION
1658125160CLAMP, HOSE(FOR WATER HOSE)
main16581-25160
90105A0103
main90105-A0103
9011906A11
main90119-06A11
9048018010
main90480-18010
9155180625
main91551-80625
9613842501
main96138-42501
9613842701
main96138-42701
23 parts on this diagram · 1 diagram in section