HEATING & AIR CONDITIONING - HEATER UNIT & BLOWER

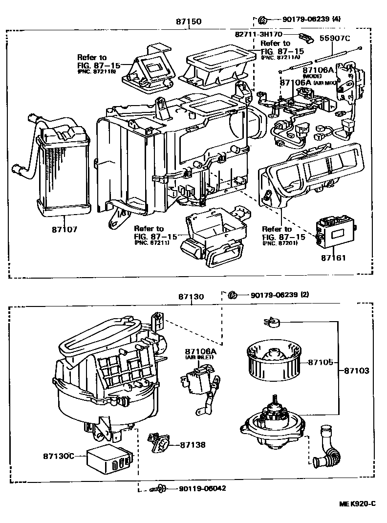
55907CCABLE SUB-ASSY, WATER VALVE CONTROL
87103MOTOR SUB-ASSY, HEATER BLOWER, W/FAN
87105FAN SUB-ASSY, HEATER BLOWER
87106ASERVO SUB-ASSY, DAMPER
MODE CONTROL
AIR MIX CONTROL
AIR INLET CONTROL
87107UNIT SUB-ASSY, HEATER RADIATOR
87130BLOWER ASSY, HEATER, FRONT
87130CRELAY, HEATER BLOWER MOTOR
87138RESISTOR, HEATER BLOWER
W(AUTO AIR CONDITIONER)
8715HEATING & AIR CONDITIONING - CONTROL & AIR DUCT
87161AMPLIFIER, HEATER SERVO MOTOR
827113H170WIRE, FUSE TO FUSE(FOR COMBUSTION HEATER)
main82711-3H170
9011906042
main90119-06042
9017906239
main90179-06239
14 parts on this diagram · 2 diagrams in section