HEATING & AIR CONDITIONING - HEATER UNIT & BLOWER

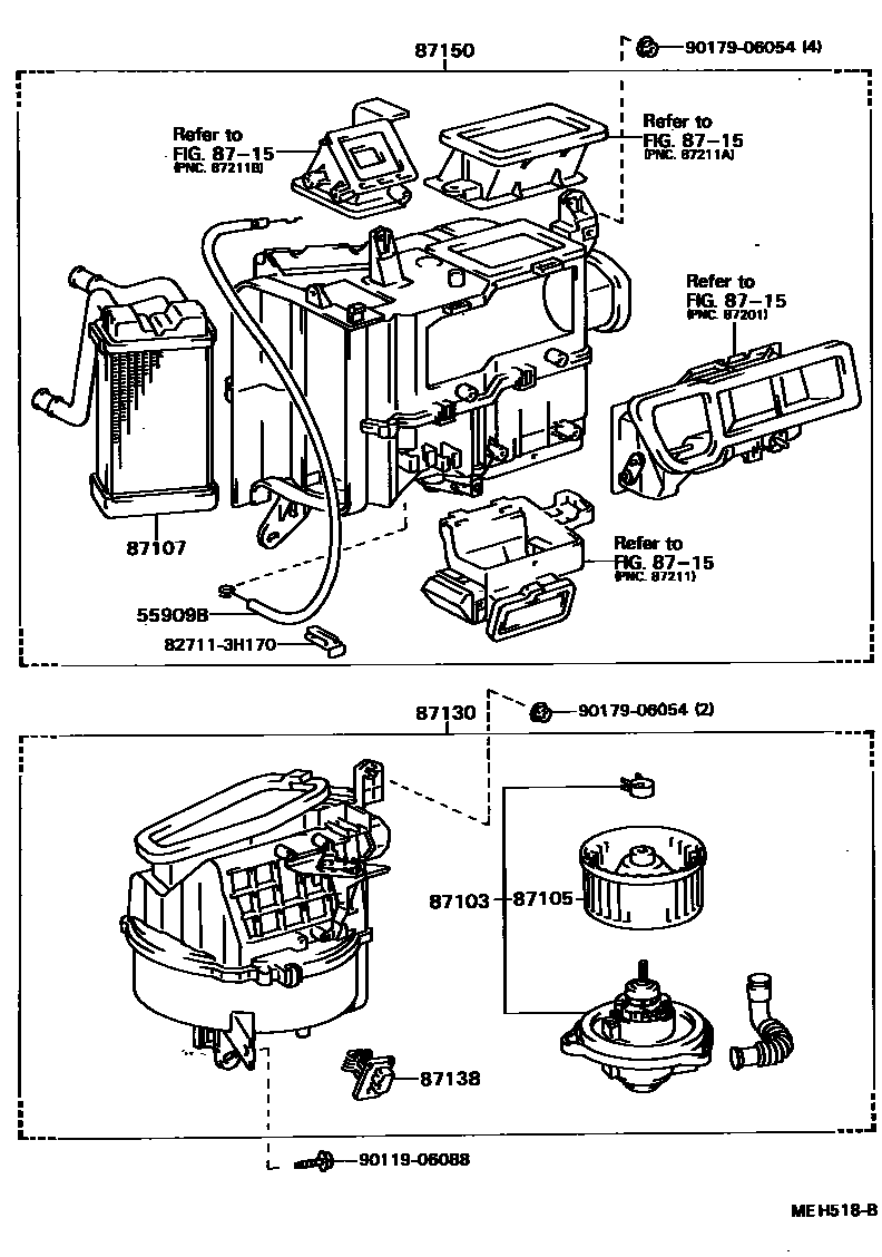
55909BCABLE SUB-ASSY, AIRMIX DAMPER CONTROL
87103MOTOR SUB-ASSY, HEATER BLOWER, W/FAN
87105FAN SUB-ASSY, HEATER BLOWER
87107UNIT SUB-ASSY, HEATER RADIATOR
8715HEATING & AIR CONDITIONING - CONTROL & AIR DUCT
827113H170WIRE, FUSE TO FUSE(FOR COMBUSTION HEATER)
main82711-3H170
9011906088
main90119-06088
9017906054
main90179-06054
11 parts on this diagram · 2 diagrams in section