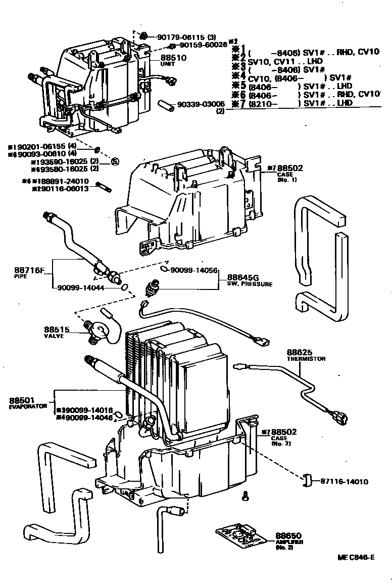
HEATING & AIR CONDITIONING - COOLER UNIT

88501EVAPORATOR SUB-ASSY, COOLER, NO.1
88502CASE SUB-ASSY, COOLING UNIT
NO.1
NO.2
88510UNIT ASSY, COOLER
W/POWER STEERING
W/POWER STEERING
W/POWER STEERING
88515VALVE, COOLER EXPANSION
88625THERMISTOR, COOLER, NO.1
88645GSWITCH, PRESSURE
88650AMPLIFIER ASSY, COOLER STABILIZER
NO.2
NO.2
NO.2,W/POWER STEERING
NO.1
NO.1
NO.2
NO.2
88716FPIPE, COOLER REFRIGERANT LIQUID, F
8711614010SPRING, HEATER CASE FASTENING
main87116-14010
8889124010PACKING (FOR COOLER)
main88891-24010
9009300610
main90093-00610
9009914016
main90099-14016
9009914044
main90099-14044
9009914046
main90099-14046
9009914056
main90099-14056
9011606013
main90116-06013
9015960026
main90159-60026
9017906115
main90179-06115
9020106155
main90201-06155
9033903005
main90339-03005
9358016025
main93580-16025
9359016025
main93590-16025
22 parts on this diagram · 2 diagrams in section