E
EPC Data

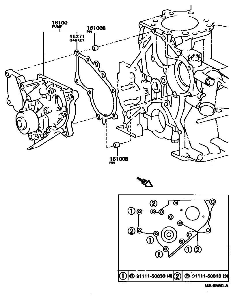
WATER PUMP

Parts diagram
16100PUMP ASSY, ENGINE WATER
main16100-69075i198210-198610
main16100-69085i198308-198610
16100BPIN, RING(FOR WATER PUMP SET)
main90253-11021×2i198308-198610
16271GASKET, WATER PUMP
main16271-64010i198308-198610
9111150818
9111150830

5 parts on this diagram · 2 diagrams in section

WATER PUMP — Toyota Parts Diagram with OEM Numbers & Prices | EPC Data