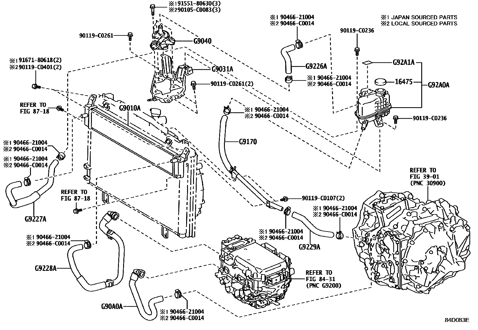
INVERTER COOLING

16475CAP, RESERVE TANK
3901
8431
8718
G9031ABRACKET SUB-ASSY, HV WATER PUMP
G9040INVERTER WATER PUMP ASSY(W/MOTOR)
G90A0AHOSE ASSY, INVERTER COOLING, NO.1
G9170PIPE ASSY, INVERTER COOLING NO.1
G9226AHOSE, INVERTER COOLING, NO.2
G9227AHOSE, INVERTER COOLING, NO.3
G9228AHOSE, INVERTER COOLING, NO.4
G9229AHOSE, INVERTER COOLING, NO.5
G92A1ALABEL, HYBRID COOLANT SYSTEM INFORMATION
90105C0083
main90105-C0083
90119C0107
main90119-C0107
90119C0236
main90119-C0236
90119C0261
main90119-C0261
90119C0401
main90119-C0401
9046621004
main90466-21004
90466C0014
main90466-C0014
9155180630
main91551-80630
9167180618
main91671-80618
24 parts on this diagram · 1 diagram in section