E
EPC Data

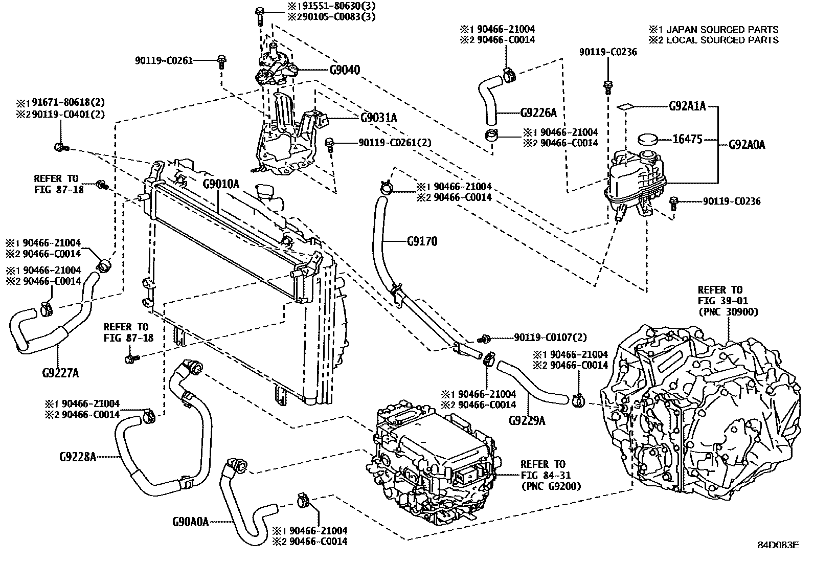
INVERTER COOLING

Parts diagram
16475CAP, RESERVE TANK
main16475-28140i201604
main16475-37010i201205-201410
main16475-37011i201410-201501
3901
8431
8718
G9010ARADIATOR ASSY
mainG901033030i201205-201501
mainG901033031i201502-201711
G9031ABRACKET SUB-ASSY, HV WATER PUMP
mainG903133030i201205-201501
G9040INVERTER WATER PUMP ASSY(W/MOTOR)
mainG904033030i201210-201501
mainG904033040i201205-201209
G90A0AHOSE ASSY, INVERTER COOLING, NO.1
mainG90A006030i201205-201501
G9170PIPE ASSY, INVERTER COOLING NO.1
mainG917006030i201205-201501
G9226AHOSE, INVERTER COOLING, NO.2
mainG922606030i201205-201501
G9227AHOSE, INVERTER COOLING, NO.3
mainG922706030i201205-201501
G9228AHOSE, INVERTER COOLING, NO.4
mainG90D006030i201205-201501
G9229AHOSE, INVERTER COOLING, NO.5
mainG922906040i201205-201501
G92A0ATANK ASSY, INVERTER RESERVE
mainG92A033010i201205-201410
mainG92A033011i201410-201501
G92A1ALABEL, HYBRID COOLANT SYSTEM INFORMATION
mainG92A176010i201205-201501
90105C0083
90119C0107
90119C0236
90119C0261
90119C0401
9046621004
90466C0014
9155180630
9167180618

24 parts on this diagram · 1 diagram in section

INVERTER COOLING — Toyota Parts Diagram with OEM Numbers & Prices | EPC Data