E
EPC Data

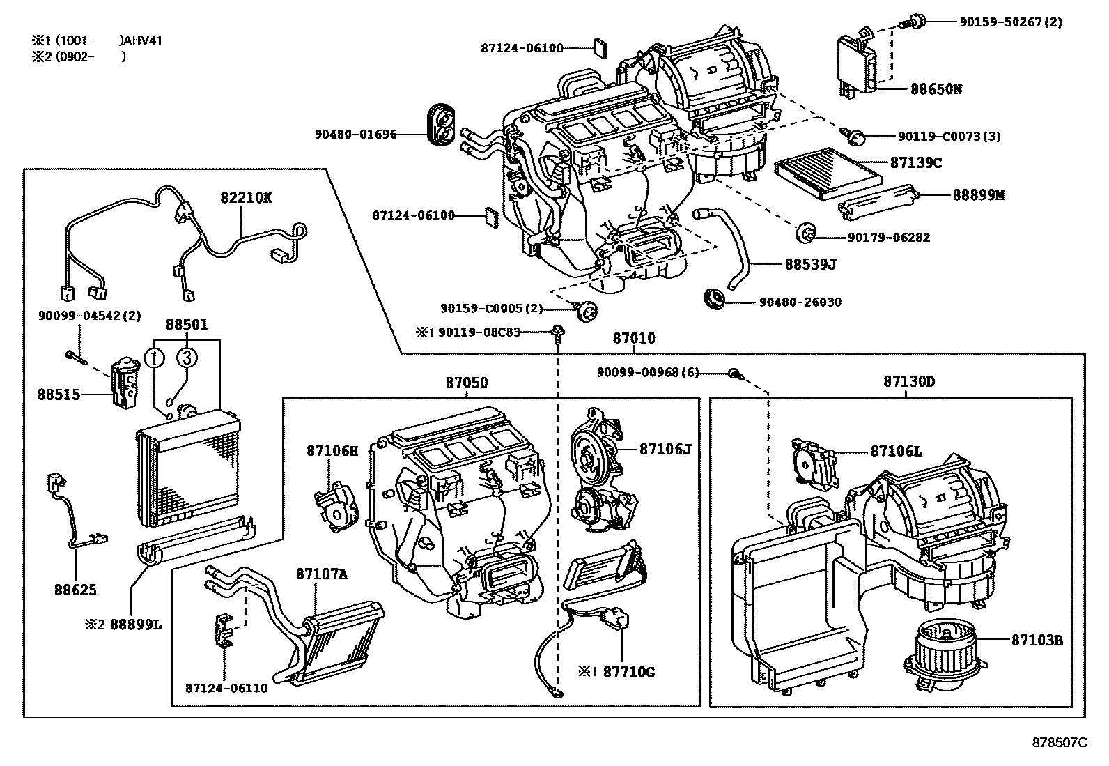
HEATING & AIR CONDITIONING - COOLER UNIT

Parts diagram
82210KHARNESS ASSY, AIR CONDITIONER
main82212-06040i200605-200903
87010UNIT ASSY, AIR CONDITIONER
main87010-06550i200605-200702
main87010-06551i200703-200803
main87010-06552i200804-200902
main87010-06553i201309
main87010-06610i201003-201112
87050RADIATOR ASSY, AIR CONDITIONER
main87050-06500i200605-200702
main87050-06501i200703-200803
main87050-06502i200902-201308
main87050-06503i201309
main87050-06550i201003-201112
87103BMOTOR SUB-ASSY, BLOWER W/FAN
main87103-06090i200605-200809
main87103-0E070i200810-200902
87106HSERVO SUB-ASSY, DAMPER(FOR AIRMIX)
main87106-06230i200605-200903
87106JSERVO SUB-ASSY, DAMPER(FOR MODE)
main87106-06220i200605-200702
main87106-06221i200703-200902
87106LSERVO SUB-ASSY, DAMPER
main87106-06240i200605-200902
87107AUNIT SUB-ASSY, HEATER RADIATOR
main87107-06080i200605-200903
87130DBLOWER ASSY
main87130-06320i200605-200803
main87130-06321i200804-200809
main87130-0E070i200810-200903
87139CFILTER, CLEAN AIR
main87139-06060i200902-201308
main87139-06140i201309-201505
87710GQUICK HEATER ASSY
main87710-06020i201003-201112
88501EVAPORATOR SUB-ASSY, COOLER, NO.1
main88501-06121i201003-201105
main88501-06140i200804-200810
main88501-06141i200810-200903
main88501-06350i201309
main88501-06360i201106-201112
88515VALVE, COOLER EXPANSION
main88515-06070i200902-201205
main88515-06100i201205-201505
88539JHOSE, DRAIN COOLER
main88539-06110i200605-200903
88625THERMISTOR, COOLER, NO.1
main88620-0E020i200902
main88625-33190i200605-200809
88650NAMPLIFIER ASSY, AIR CONDITIONER
main88650-06220i200605-200702
main88650-06221i200703-200903
main88650-06450i200902-201010
main88650-06451i201011
main88650-06230i200605-200702
240V
main88650-06231i200703-200902
240V
main88650-06410supersedes 88650-06460i201003-201112
240V
main88650-06440i200902-201010
240V G-BOOK
main88650-06441i201011-201112
240V G-BOOK
88899LPARTS, COOLING UNIT
main88899-06130i200902
88899MPLATE, COVER(FOR AIR FILTER)
main88899-06070i200605-200902
8712406100CLAMP, HEATER
8712406110CLAMP, HEATER
9009900968
9009904542
9011908C83
90119C0073
9015950267
90159C0005
9017906282
9048001696
9048026030

29 parts on this diagram · 2 diagrams in section

HEATING & AIR CONDITIONING - COOLER UNIT — Toyota Parts Diagram with OEM Numbers & Prices | EPC Data