E
EPC Data

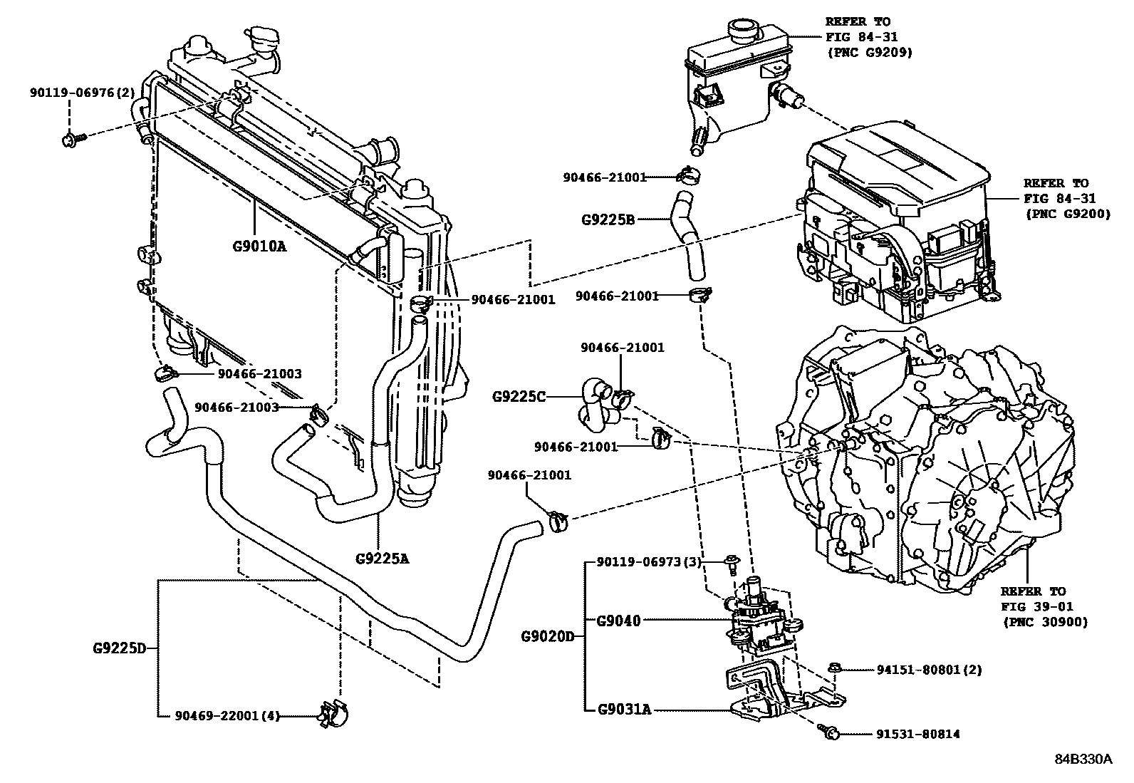
INVERTER COOLING

Parts diagram
3901
8431
G9010ARADIATOR ASSY
mainG901033020i201003-201112
G9020DPUMP ASSY, WATER W/MOTOR & BRACKET
mainG902033010i201003-201112
G9031ABRACKET SUB-ASSY, HV WATER PUMP
mainG903133010i201003-201112
G9040INVERTER WATER PUMP ASSY(W/MOTOR)
mainG904033010i201003-201112
G9225AHOSE, INVERTER COOLING, NO.7
mainG922533020i201003-201112
G9225BHOSE, INVERTER COOLING, NO.8
mainG922533030i201003-201112
G9225CHOSE, INVERTER COOLING, NO.9
mainG922533040i201003-201112
G9225DHOSE, INVERTER COOLING, NO.10
mainG922533050i201003-201112
9011906973
9011906976
9046621001
9046621003
9046922001
9153180814
9415180801

17 parts on this diagram · 1 diagram in section

INVERTER COOLING — Toyota Parts Diagram with OEM Numbers & Prices | EPC Data