E
EPC Data

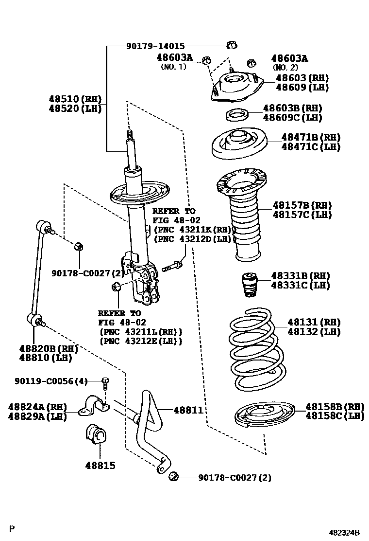
FRONT SPRING & SHOCK ABSORBER

Parts diagram
4802
48131SPRING, FRONT COIL, RH
main48131-06B80i200605-200903
main48131-06B81i200908
main48131-06C30i201003-201112
48132SPRING, FRONT COIL, LH
main48131-06B80i200605-200902
main48131-06B81i200908
main48131-06C30i201003-201112
48157BINSULATOR, FRONT COIL SPRING, UPPER RH
main48157-06100i200605-200902
48157CINSULATOR, FRONT COIL SPRING, UPPER LH
main48157-06100i200605-200902
48158BINSULATOR, FRONT COIL SPRING, LOWER RH
main48158-06050i200605-200902
main48158-06110i201108
48158CINSULATOR, FRONT COIL SPRING, LOWER LH
main48158-06050i200605-200902
main48158-06110i201108
48331BBUMPER, FRONT SPRING, RH
main48331-33032i200605-200903
48331CBUMPER, FRONT SPRING, LH
main48331-33032i200605-200902
48471BSEAT, FRONT COIL SPRING, UPPER RH
main48471-41010i200902
48471CSEAT, FRONT COIL SPRING, UPPER LH
main48471-41010i200605-200902
48510ABSORBER ASSY, SHOCK, FRONT RH
main48510-09P70i200605-200609
MARK 48510-06530
main48510-09S30i200609-200903
MARK 48510-06531
main48510-A9790i201003-201112
MARK 48510-06630
48520ABSORBER ASSY, SHOCK, FRONT LH
main48520-09J20i200605-200609
MARK 48520-06530
main48520-09K90i200902-201505
MARK 48520-06531
main48520-A9480i201003-201112
MARK 48520-06630
48603SUPPORT SUB-ASSY, FRONT SUSPENSION, RH
main48609-06170i200605-200903
main48609-06240i201003-201112
48603ANUT(FOR FRONT SUSPENSION SUPPORT)
main90178-10005×4i200605-200903
NO.1
main90178-C0001×2i200902
NO.2
48603BBEARING(FOR FRONT SUSPENSION SUPPORT RH)
main90369-C0001i200605-200903
48609SUPPORT SUB-ASSY, FRONT SUSPENSION, LH
main48609-06170i200902
main48609-06240i201003-201112
48609CBEARING(FOR FRONT SUSPENSION SUPPORT LH)
main90369-C0001i200605-200902
48810LINK ASSY, FRONT STABILIZER, LH
main48820-06060i200605-200710
main48820-06061i200711-200903
48811BAR, STABILIZER, FRONT
main48811-06220i200902
main48811-33160i201003-201112
48815BUSH, FRONT STABILIZER BAR, NO.1
main48815-06190×2i200605-200902
main48815-06191×2i201112
48820BLINK ASSY, FRONT STABILIZER, RH
main48820-06060i200605-200710
main48820-06061i200711-200902
48824ABRACKET, FRONT STABILIZER, NO.1 RH
main48824-06070i200605-200902
48829ABRACKET, FRONT STABILIZER, NO.1 LH
main48824-06070i200605-200902
90119C0056
90178C0027
9017914015

27 parts on this diagram · 1 diagram in section

FRONT SPRING & SHOCK ABSORBER — Toyota Parts Diagram with OEM Numbers & Prices | EPC Data