E
EPC Data

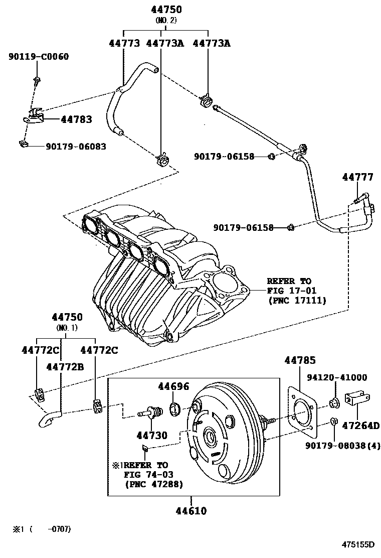
BRAKE BOOSTER & VACUUM TUBE

Parts diagram
1701
44610BOOSTER ASSY, BRAKE
main44610-06361i200605-200707
main44610-06363i200707-200802
main44610-06364i200902-201203
main44610-06570i201203-201505
main44610-06430supersedes 44610-06433i200605-200707
240V
main44610-06432supersedes 44610-06433i200707-200802
240V
44696GROMMET, CHECK VALVE
main90080-48071i200605-200903
44730VALVE ASSY, VACUUM CHECK(FOR BRAKE)
main44730-22150i200902-201505
44750HOSE ASSY, VACUUM
main44750-06280i200605-200611
NO.1
main44750-06281i200612-200903
NO.1
main44770-06230i200605-200611
NO.2
main44770-06231i200612-200902
NO.2
44772BHOSE, CHECK VALVE TO BRAKE BOOSTER
main44772-06300i200605-200611
main44772-06301i200612-200903
44772CCLIP(FOR CHECK VALVE TO BRAKE BOOSTER HOSE)
main90467-16014×2i200605-200611
44773HOSE, VACUUM, NO.2
main44772-06310i200605-200611
main44772-06311i200612-200902
44773ACLIP, NO.1(FOR VACUUM HOSE, NO.2)
main90467-16014×2i200605-200611
44777CONNECTOR, VACUUM HOSE, NO.1
main44770-06220i200605-200902
44783CLAMP, VACUUM HOSE
main44783-28010i200605-200903
44785GASKET, BRAKE BOOSTER
main44785-06020i200902
47264DCLEVIS, BRAKE MASTER CYLINDER PUSH ROD
main47264-0P010i200709-200902
main47264-63020i200605-200708
7403
90119C0060
9017906083
9017906158
9017908038
9412041000

19 parts on this diagram · 1 diagram in section

BRAKE BOOSTER & VACUUM TUBE — Toyota Parts Diagram with OEM Numbers & Prices | EPC Data