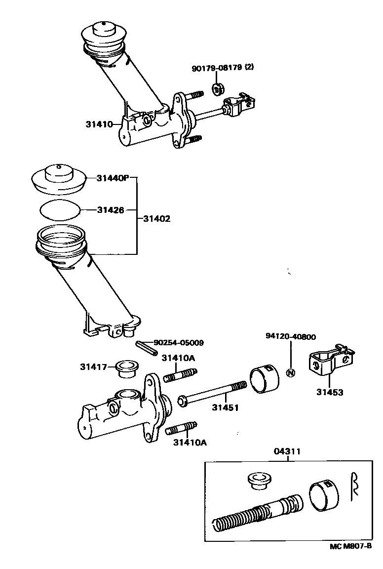
CLUTCH MASTER CYLINDER

31402RESERVOIR SUB-ASSY, CLUTCH MASTER CYLINDER
sub31402-20180
31410CYLINDER ASSY, CLUTCH MASTER
sub31410-20640
31410ABOLT(FOR CLUTCH MASTER CYLINDER SETTING)
31417GROMMET, CLUTCH RESERVOIR
31426FLOAT, CLUTCH MASTER CYLINDER RESERVOIR
31440PCAP ASSY, CLUTCH MASTER CYLINDER RESERVOIR FILLER
31451ROD, CLUTCH MASTER CYLINDER PUSH
31453CLEVIS, CLUTCH MASTER CYLINDER PUSH ROD
9017908179
main90179-08179
9025405009
main90254-05009
9412040800
main94120-40800
12 parts on this diagram · 2 diagrams in section