E
EPC Data

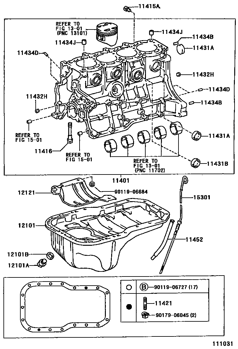
CYLINDER BLOCK

Parts diagram
11401BLOCK SUB-ASSY, CYLINDER
main11401-79615i199211-199508
main11401-79616i199508-199511
main11401-79617i199511-199601
11415APLUG, WATER DRAIN COCK(FOR CYLINDER BLOCK)
main90345-52001i199211-199601
11416BOLT(FOR CRANKSHAFT BEARING CAP SET)
main90105-10028i199211-199601
11421BOLT, STUD(FOR OIL PAN)
main90116-06022i199211-199601
11431APLUG, TIGHT, NO.1(FOR CYLINDER BLOCK)
main96411-43500i199211-199601
11431BPLUG, TIGHT, NO.2(FOR CYLINDER BLOCK)
main96411-44000i199211-199601
11432HPLUG, W/HEAD TAPER SCREW, NO.5
main90344-53006i199211-199601
11434BPIN, STRAIGHT(FOR CLUTCH HOUSING SET)
main90250-10113i199211-199601
L=22,OD=10
11434DPIN, STRAIGHT(FOR ENGINE REAR OIL SEAL)
main90250-06003i199211-199601
L=14,OD=6
11434JPIN, RING (FOR CYLINDER HEAD SET)
main90253-13017i199211-199601
11452GUIDE, OIL LEVEL GAGE
main11452-74030i199211-199404
main11452-74031i199404-199601
12101PAN SUB-ASSY, OIL
main12101-74050i199211-199601
12101APLUG(FOR OIL PAN DRAIN)
main90341-12026i199211-199601
12101BGASKET(FOR OIL PAN DRAIN PLUG)
main90430-12027i199211-199312
main90430-12031i199312-199601
12121PLATE, OIL PAN BAFFLE, NO.1
main12123-74040i199211-199601
1301
1501
15301GAGE SUB-ASSY, OIL LEVEL
main15301-74010i199211-199601
9011906684
9011906727
9017906045

21 parts on this diagram · 1 diagram in section

CYLINDER BLOCK — Toyota Parts Diagram with OEM Numbers & Prices | EPC Data