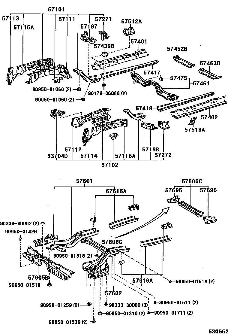
FLOOR SIDE MEMBER

53704DSUPPORT SUB-ASSY, BATTERY, LH
57101MEMBER SUB-ASSY, FRONT SIDE, RH
57102MEMBER SUB-ASSY, FRONT SIDE, LH
57111MEMBER, FRONT SIDE, RH
57112MEMBER, FRONT SIDE, LH
57113EXTENSION, FRONT SIDE MEMBER, RH
57114EXTENSION, FRONT SIDE MEMBER, LH
57115APLATE, FRONT SIDE MEMBER, OUTER RH
57116APLATE, FRONT SIDE MEMBER, OUTER LH
57197BOX, TORQUE, FRONT RH
57198BOX, TORQUE, FRONT LH
57271EXTENSION, STEERING GEAR BOX SUPPORT MEMBER, RH
57272EXTENSION, STEERING GEAR BOX SUPORT MEMBER, LH
57401MEMBER SUB-ASSY, MAIN FLOOR SIDE, RH
57402MEMBER SUB-ASSY, MAIN FLOOR SIDE, LH
57417REINFORCEMENT, FRONT FLOOR UNDER, RH
57418REINFORCEMENT, FRONT FLOOR UNDER, LH
57439BDAMPER, FRONT FLOOR CROSSMEMBER DYNAMIC
57451MEMBER, FRONT FLOOR CROSS
57452BMEMBER, FRONT FLOOR CROSS, NO.2
57453BMEMBER, FRONT FLOOR CROSS, NO.3
57475PLATE, FRONT FLOOR CROSSMEMBER
57512AREINFORCEMENT, FRONT FLOOR, RH
57513AREINFORCEMENT, FRONT FLOOR, LH
57601MEMBER SUB-ASSY, REAR FLOOR SIDE, RH
57602MEMBER SUB-ASSY, REAR FLOOR SIDE, LH
57605BMEMBER SUB-ASSY, REAR FLOOR CROSS, NO.1
57606CMEMBER SUB-ASSY, REAR FLOOR CROSS, NO.2
57615AMEMBER, REAR FLOOR SIDE, REAR RH
57616AMEMBER, REAR FLOOR SIDE, REAR LH
57695EXTENSION, REAR FLOOR CROSS REAR SIDE, RH
57696EXTENSION, REAR FLOOR CROSS REAR SIDE, LH
9017906060
main90179-06060
9033330002
main90333-30002
9095001060
main90950-01060
9095001259
main90950-01259
9095001310
main90950-01310
9095001426
main90950-01426
9095001511
main90950-01511
9095001518
main90950-01518
9095001539
main90950-01539
9095001711
main90950-01711
42 parts on this diagram · 1 diagram in section