E
EPC Data

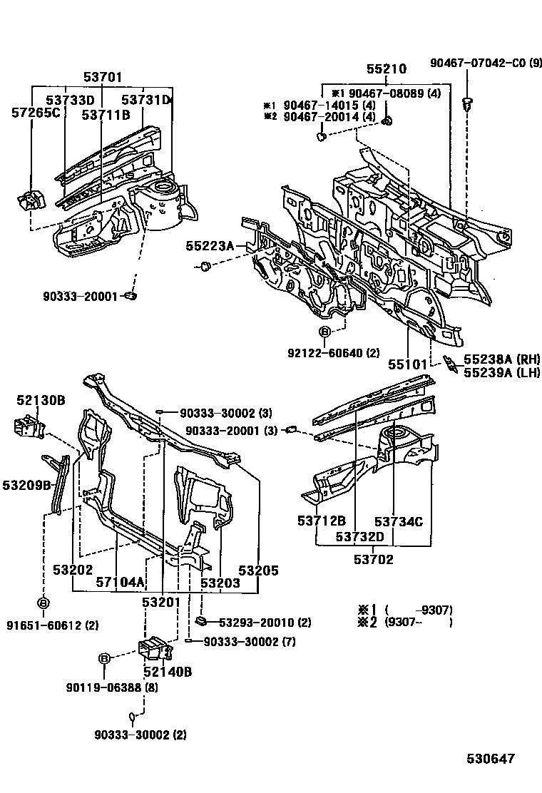
FRONT FENDER APRON & DASH PANEL

Parts diagram
52130BBRACKET ASSY, FRONT BUMPER SIDE MOUNTING, RH
main52130-20030i199606-199607
52140BBRACKET ASSY, FRONT BUMPER SIDE MOUNTING, LH
main52140-20030i199203-199606
53201SUPPORT SUB-ASSY, RADIATOR
main53201-20640i199203-199606
53202SUPPORT SUB-ASSY, RADIATOR, RH
main53202-20120i199203-199606
53203SUPPORT SUB-ASSY, RADIATOR, LH
main53203-20200i199203-199606
53205SUPPORT SUB-ASSY, RADIATOR, UPPER
main53205-20050i199203-199606
53209BBRACE SUB-ASSY, HOOD LOCK SUPPORT
main53209-20300i199203-199606
53701APRON SUB-ASSY, FRONT FENDER, RH
main53701-20740i199203-199510
main53701-20780i199510-199606
53702APRON SUB-ASSY, FRONT FENDER, LH
main53702-20720i199203-199510
main53702-20750i199510-199606
53711BAPRON, FRONT FENDER, FRONT RH
main53711-20290i199203-199505
main53711-20291i199505-199510
main53711-20320i199510-199606
main53711-20321i199702
53712BAPRON, FRONT FENDER, FRONT LH
main53712-20300i199203-199510
main53712-20340i199510-199606
main53712-20341i199702
53731DMEMBER, FRONT APRON TO COWL SIDE, UPPER RH
main53731-20100i199203-199505
main53731-20130i199607-199702
main53731-20131i199702
53732DMEMBER, FRONT APRON TO COWL SIDE, UPPER LH
main53732-20100i199203-199505
main53732-20130i199505-199606
main53732-20131i199702
53733DMEMBER, FRONT APRON TO COWL SIDE, LOWER FRONT RH
main53733-20070i199203-199505
main53733-20080i199505-199606
53734CMEMBER, FRONT APRON TO COWL SIDE, LOWER FRONT LH
main53734-20080i199203-199505
main53734-20090i199505-199606
55101PANEL SUB-ASSY, DASH
main55101-2B360i199203-199402
main55101-2B930i199606-199711
main55101-2B931i199203-199402
main55101-2B935i199203-199711
main55101-2B937i199402
main55101-2B939i199203-199601
main55101-2B940i199711
main55101-2B946i199606-199607
55210INSULATOR ASSY, DASH PANEL
main55210-20230i199203
main55210-20240i199203-199606
55223AINSULATOR, DASH PANEL, OUTER
main55223-20090i199203-199601
55238APLATE, DASH PANEL INSULATOR, NO.2
main55238-20030i199606-199607
55239APLATE, DASH PANEL INSULATOR, NO.3
main55239-20040i199203-199606
57104AMEMBER SUB-ASSY, FRONT CROSS
main57104-20110i199203-199606
57265CBRACKET, ENGINE MOUNTING, RH
main57265-20110i199203-199606
5329320010BRACKET, FRONT BUMPER STAY
9011906388
9033320001
9033330002
9046707042C0
9046708089
9046714015
9046720014
9165160612
9212260640

32 parts on this diagram · 1 diagram in section

FRONT FENDER APRON & DASH PANEL — Toyota Parts Diagram with OEM Numbers & Prices | EPC Data