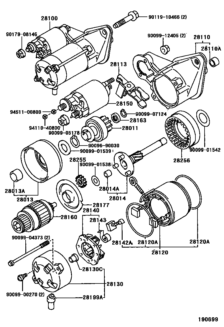
STARTER

28011CLUTCH SUB-ASSY, STARTER
*EX-USSR
*EX-USSR
28013BEARING, STARTER CENTER & SHOCK ABSORBER, NO.1
28013ABEARING, STARTER CENTER & SHOCK ABSORBER, NO.2
28014SHAFT SUB-ASSY, PLANET CARRIER
28014ABUSH OR BEARING, PLANET CARRIER SHAFT
28100STARTER ASSY
12V 1.0KW,*EX-USSR
12V 0.8KW
12V 1.2KW,*EX-USSR
12V 1.4KW
12V 1.4KW
12V 1.2KW
28110HOUSING ASSY, STARTER DRIVE
*EX-USSR
*EX-USSR
28110ABEARING(FOR STARTER HOUSING)
28113LEVER, STARTER PINION DRIVE
28120YOKE ASSY, STARTER
*EX-USSR
28120ARING, O(FOR STARTER YOKE)
*EX-USSR
28130FRAME ASSY, STARTER COMMUTATOR END
*EX-USSR
*EX-USSR
28130CBEARING, STARTER FLANGE
28140HOLDER ASSY, STARTER BRUSH
*EX-USSR
*EX-USSR
28142ASTARTER KIT
28143SPRING, STARTER BRUSH
*EX-USSR
28150SWITCH ASSY, MAGNET STARTER
*EX-USSR
*EX-USSR
28160ARMATURE ASSY, STARTER
*EX-USSR
28163NUT OR COLLAR, PINION STOP, STARTER
28177PLATE(FOR STARTER ARMATURE)
28199APROTECTOR, DUST STARTER
28255GEAR, PLANET
28256GEAR, STARTER INTERNAL
9009690030
main90096-90030
9009900270
main90099-00270
9009901538
main90099-01538
9009901539
main90099-01539
9009901542
main90099-01542
9009904373
main90099-04373
9009905178
main90099-05178
9009907124
main90099-07124
9009912405
main90099-12405
9011910466
main90119-10466
9017908146
main90179-08146
9411040800
main94110-40800
9451100800
main94511-00800
36 parts on this diagram · 5 diagrams in section