E
EPC Data

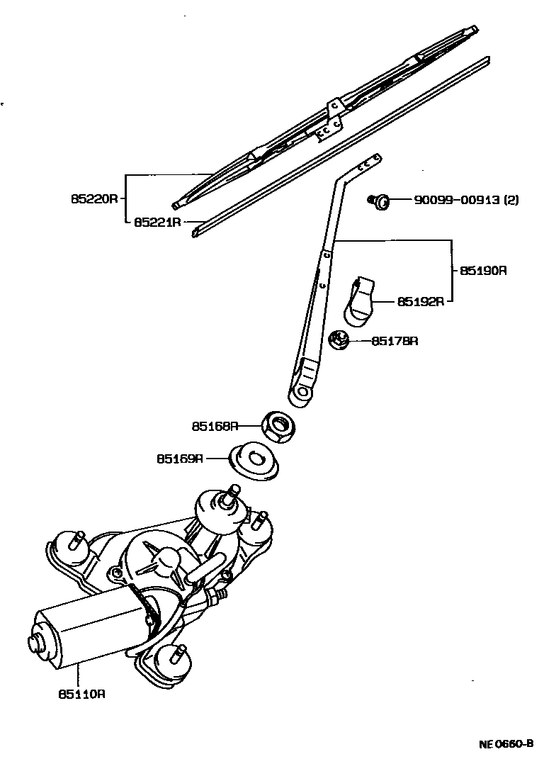
REAR WIPER

Parts diagram
85110RMOTOR ASSY, REAR WIPER
main85110-20550i198712-199208
85168RNUT, REAR WIPER LINK PIVOT, NO.1
main90099-05141i198712-199211
main90099-05157i198712-199208
85169RWASHER, REAR WIPER LINK PIVOT, NO.1
main85179-20550i198712-199208
main90099-01458i198712-199211
85178RNUT (FOR REAR WIPER ARM SETTING)
main90179-06158i198712-199211
85190RARM ASSY, REAR WIPER
main85190-20670i198712-199208
main85190-95502i198712-199211
85192RCOVER, REAR WIPER ARM
main85192-13060i198712-199211
main85192-32010i198712-199208
85220RBLADE ASSY, REAR WIPER
main85220-16440i198712-199003
main85220-16441i199003-199208
main85220-22610i198712-199008
main85220-22611i199008-199211
85221RBLADE, REAR WIPER
main85221-16080i198712-199208
main85221-87002i198810-199211
main85221-87003i198712-198810
9009900913

9 parts on this diagram · 2 diagrams in section

REAR WIPER — Toyota Parts Diagram with OEM Numbers & Prices | EPC Data