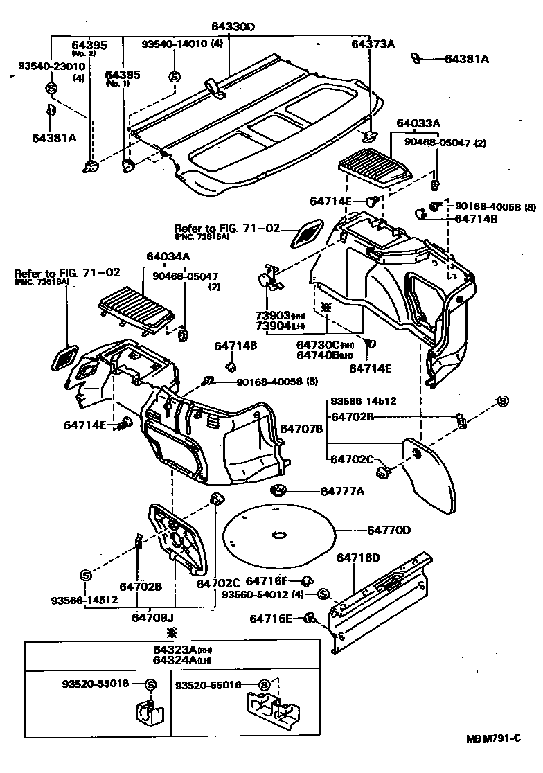
DECK BOARD & DECK TRIM COVER

64033AGRILLE SUB-ASSY, REAR SPEAKER, RH
W(REAR 3-POINT SEAT BELT),GRAY,TRIM1#
sub64033-20150
W(REAR 3-POINT SEAT BELT),BLUE,TRIM8#
sub64033-20150
W(REAR 3-POINT SEAT BELT),SABLE,TRIM4#
sub64033-20150
W(REAR 3-POINT SEAT BELT),DARK BLUE,TRIM8#
sub64033-20150
W(REAR 3-POINT SEAT BELT) & W(SPEAKER),GRAY,TRIM1#
sub64033-20180
W(REAR 3-POINT SEAT BELT) & W(SPEAKER),BLUE,TRIM8#
sub64033-20180
W(REAR 3-POINT SEAT BELT) & W(SPEAKER),SABLE,TRIM4#
sub64033-20180
W(REAR 3-POINT SEAT BELT) & W(SPEAKER),DARK BLUE,TRIM8#
sub64033-20180
64034AGRILLE SUB-ASSY, REAR SPEAKER, LH
W(REAR 3-POINT SEAT BELT),GRAY,TRIM1#
sub64034-20120
W(REAR 3-POINT SEAT BELT),BLUE,TRIM8#
sub64034-20120
W(REAR 3-POINT SEAT BELT),DARK BLUE,TRIM8#
sub64034-20120
W(REAR 3-POINT SEAT BELT & SPEAKER),GRAY,TRIM1#
sub64034-20150
W(REAR 3-POINT SEAT BELT & SPEAKER),BLUE,TRIM8#
sub64034-20150
W(REAR 3-POINT SEAT BELT & SPEAKER),SABLE,TRIM4#
sub64034-20150
W(REAR 3-POINT SEAT BELT & SPEAKER),DARK BLUE,TRIM8#
sub64034-20150
64323ACLAMP, PACKAGE TRAY TRIM, RH
TYPE A
TYPE B
64324ACLAMP, PACKAGE TRAY TRIM, LH
TYPE A
TYPE B
64330DPANEL ASSY, PACKAGE TRAY TRIM
64381AHANGER, PACKAGE TRAY TRIM
64395PIN, PACKAGE TRAY TRIM HINGE
NO.2
NO.1
64702BSTOPPER, WASHER TANK COVER
64702CKNOB, WASHER TANK COVER
64707BCOVER SUB-ASSY, QUARTER TRIM JACK
64709JCOVER SUB-ASSY, DECK TRIM POCKET
64714BPLUG, HOLE(FOR DECK TRIM SIDE COVER)
64714ECLIP(FOR DECK TRIM SIDE COVER)
GRAY,GRAY,TRIM1#
GRAY,TRIM1#,TYPE B
BLUE,TRIM8#
BLUE,TRIM8#,TYPE B
DARK BLUE,DARK BLUE,TRIM8#
DARK BLUE,TRIM8#,TYPE B
64716DCOVER, DECK TRIM, REAR
GRAY,TRIM1#
BLUE,TRIM8#
SABLE,TRIM4#
DARK BLUE,TRIM8#
64716ECLIP(FOR DECK TRIM REAR COVER)
64716FPLUG, HOLE(FOR DECK TRIM REAR COVER)
64730CBOARD, DECK TRIM SIDE, RH
GRAY,TRIM1#
BLUE,TRIM8#
SABLE,TRIM4#
DARK BLUE,TRIM8#
GRAY,TRIM1#
BLUE,TRIM8#
DARK BLUE,TRIM8#
W(TONNEAU COVER & REAR 3-POINT SEAT BELT),GRAY,TRIM1#
W(TONNEAU COVER & REAR 3-POINT SEAT BELT),BLUE,TRIM8#
W(TONNEAU COVER & REAR 3-POINT SEAT BELT),DARK BLUE,TRIM8#
W(TONNEAU COVER),GRAY,TRIM1#
W(TONNEAU COVER),BLUE,TRIM8#
W(TONNEAU COVER),DARK BLUE,TRIM8#
GRAY,TRIM1#
BLUE,TRIM8#
DARK BLUE,TRIM8#
64740BBOARD, DECK TRIM SIDE, LH
GRAY,TRIM1#
BLUE,TRIM8#
DARK BLUE,TRIM8#
W(TONNEAU COVER & REAR 3-POINT SEAT BELT),GRAY,TRIM1#
W(TONNEAU COVER & REAR 3-POINT SEAT BELT),BLUE,TRIM8#
W(TONNEAU COVER & REAR 3-POINT SEAT BELT),DARK BLUE,TRIM8#
W(TONNEAU COVER),GRAY,TRIM1#
W(TONNEAU COVER),BLUE,TRIM8#
W(TONNEAU COVER),DARK BLUE,TRIM8#
GRAY,TRIM1#
BLUE,TRIM8#
DARK BLUE,TRIM8#
GRAY,TRIM1#
BLUE,TRIM8#
SABLE,TRIM4#
DARK BLUE,TRIM8#
64770DCOVER ASSY, SPARE WHEEL
64777ACLAMP, SPARE WHEEL COVER
7102
73903BRACKET SUB-ASSY, REAR SHELF, RH
73904BRACKET SUB-ASSY, REAR SHELF, LH
9016840058
main90168-40058
9046805047
main90468-05047
9352055016
main93520-55016
9354014010
main93540-14010
9354023010
main93540-23010
9356054012
main93560-54012
9356614512
main93566-14512
31 parts on this diagram · 2 diagrams in section