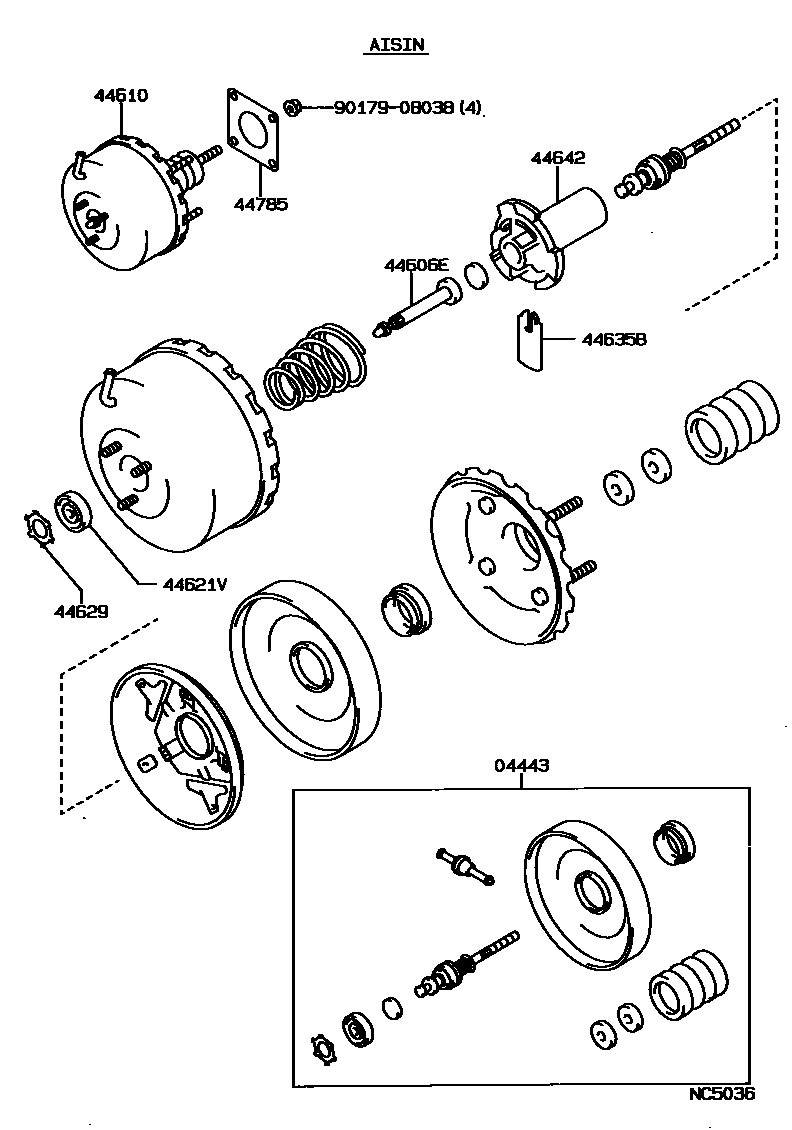
BRAKE BOOSTER & VACUUM TUBE

04443BOOSTER KIT, BRAKE
JKC
JKC
AISIN
AISIN
W(14INCHES DISC WHEEL),AISIN
W(14INCHES DISC WHEEL),AISIN
W(14INCHES DISC WHEEL),JKC
AISIN
JKC
W(14INCHES DISC WHEEL),JKC
44606EROD SUB-ASSY, BRAKE BOOSTER PISTON
44621VSEAL, BOOSTER BODY
44629RING, CIRCULAR INTERNAL
44635BKEY, VALVE STOPPER
44642PISTON, BRAKE BOOSTER
W(14INCHES DISC WHEEL)
44785GASKET, BRAKE BOOSTER
9017908038
main90179-08038
9 parts on this diagram · 6 diagrams in section