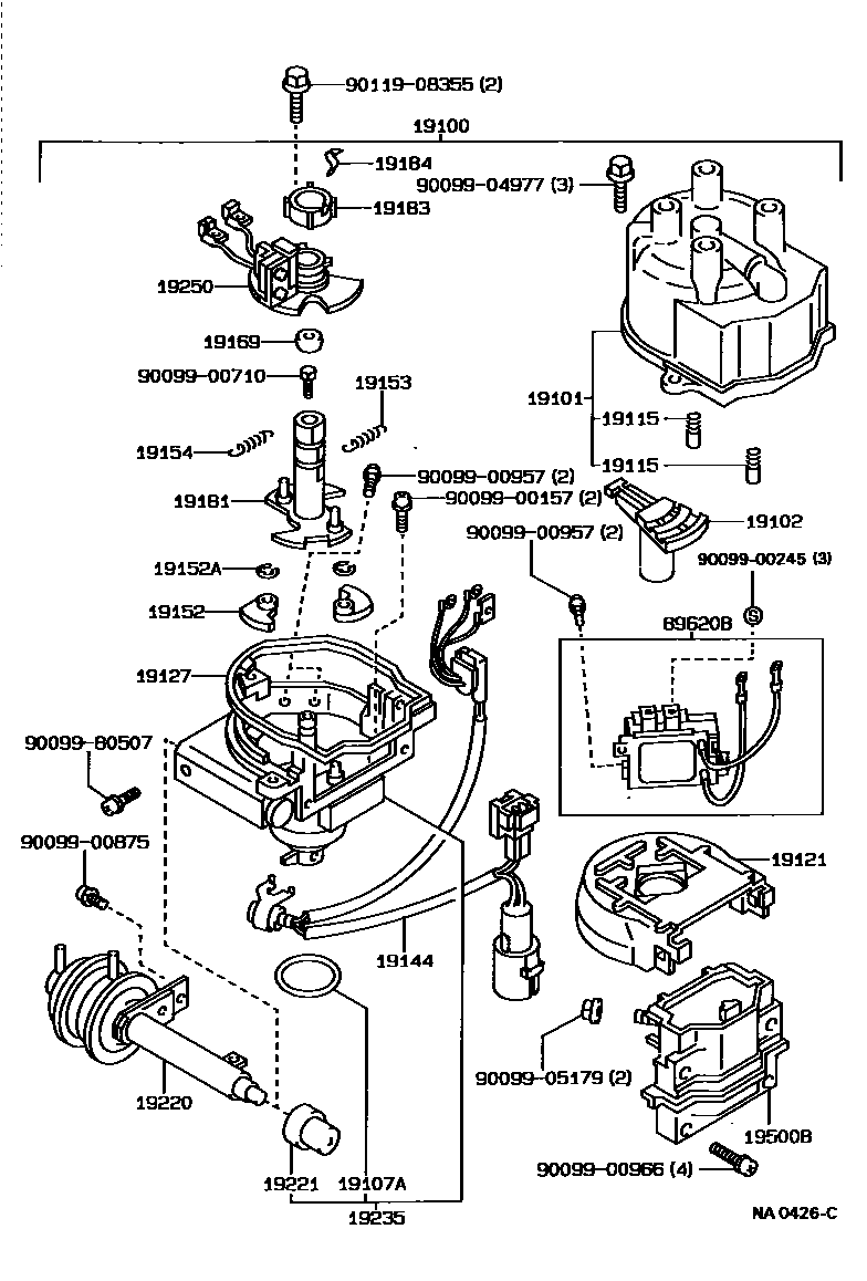
DISTRIBUTOR

19100DISTRIBUTOR ASSY
NEWZEALAND SPEC OR THAILAND SPEC; SINGAPORE SPEC; SINGAPORE SPEC OR THAILAND SPEC
19101CAP SUB-ASSY, DISTRIBUTOR
19102ROTOR SUB-ASSY, DISTRIBUTOR
19107ARING, O, DISTRIBUTOR HOUSING
19115PIECE, DISTRIBUTOR CAP, CENTER
19121COVER, DUST PROOF
19127PACKING, DUST PROOF
NO.1
NO.2
19144LEAD, DISTRIBUTOR BREAKER
NEWZEALAND SPEC OR THAILAND SPEC; SINGAPORE SPEC; SINGAPORE SPEC OR THAILAND SPEC
NO.1
NO.2
19152WEIGHT, GOVERNOR
19152ARING, SNAP(FOR GOVERNOR WEIGHT)
19153SPRING, GOVERNOR, A
NEWZEALAND SPEC OR THAILAND SPEC; SINGAPORE SPEC; SINGAPORE SPEC OR THAILAND SPEC
19154SPRING, GOVERNOR, B
NEWZEALAND SPEC OR THAILAND SPEC; SINGAPORE SPEC; SINGAPORE SPEC OR THAILAND SPEC
19169STOPPER, CAM GREASE
19181ROTOR, DISTRIBUTOR, SIGNAL
main19181-16100i4AF..AT171..RHD..5F..GL;4AF..AT171..RHD..(3FC,4F); 4AF..AT171..RHD..5F..XL198712-198802
SINGAPORE SPEC; SINGAPORE SPEC OR NEW ZEALAND SPEC
19183ROTOR, SIGNAL
19184SPRING, ROTOR SET
19220ADVANCER ASSY, VACUUM, DISTRIBUTOR
main19220-16230i4AF..AT171..RHD..5F..GL;4AF..AT171..RHD..(3FC,4F); 4AF..AT171..RHD..5F..XL198712-198802
SINGAPORE SPEC; SINGAPORE SPEC OR NEW ZEALAND SPEC
19221CAP, ADJUSTER, DISTRIBUTOR
19235HOUSING, DISTRIBUTOR
NEWZEALAND SPEC OR THAILAND SPEC; SINGAPORE SPEC; SINGAPORE SPEC OR THAILAND SPEC
19250GENERATOR ASSY, SIGNAL
19500BCOIL ASSY, IGNITION
89620BIGNITER ASSY
9009900157
main90099-00157
9009900245
main90099-00245
9009900710
main90099-00710
9009900875
main90099-00875
9009900957
main90099-00957
9009900966
main90099-00966
9009904977
main90099-04977
9009905179
main90099-05179
9009980507
main90099-80507
9011908355
main90119-08355
32 parts on this diagram · 3 diagrams in section