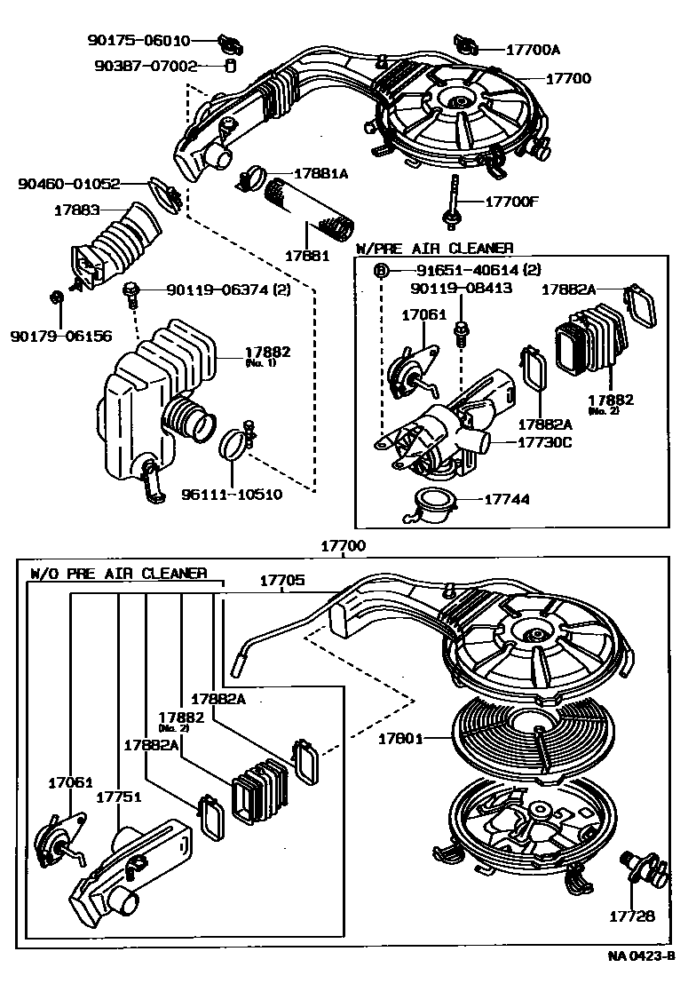
AIR CLEANER

17061DIAPHRAGM SUB-ASSY
W(HOT AIR INTAKE & PRE AIR CLEANER)
W(HOT AIR INTAKE)
17700CLEANER ASSY, AIR
W(PRE AIR CLEANER)
W(HOT AIR INTAKE & PRE AIR CLEANER)
SINGAPORE SPEC & W(HOT AIR INTAKE)
main17700-16560i4AF..AT171..LHD..4F; 4AF..AT177;4AF..AT171..RHD;4AF..AT171..LHD..(3FC,5F)..GEN198805-198911
MIDDLE EAST SPEC OR W(HOT AIR INTAKE); W(HOT AIR INTAKE)
W(HOT AIR INTAKE)
17700ANUT, WING(FOR AIR CLEANER)
17700FBOLT, STUD(FOR AIR CLEANER SETTING)
17705CAP SUB-ASSY, AIR CLEANER
main17705-15170i4AF..AT171..LHD..4F; 4AF..AT177;4AF..AT171..RHD;4AF..AT171..LHD..(3FC,5F)..GEN198805-198911
MIDDLE EAST SPEC OR W(HOT AIR INTAKE); W(HOT AIR INTAKE)
W(PRE AIR CLEANER)
W(HOT AIR INTAKE & PRE AIR CLEANER)
SINGAPORE SPEC & W(HOT AIR INTAKE)
17728VALVE, THERMOSTATIC
main17728-16010i4AF..AT171..LHD..4F; 4AF..AT177;4AF..AT171..5F..GL;4AF..AT171..RHD..(3FC,4F);4AF..AT171..LHD..(3FC,5F)..XL..GEN198805-198911
MIDDLE EAST SPEC OR W(HOT AIR INTAKE)
17730PRECLEANER ASSY, AIR W/HOSE
W(HOT AIR INTAKE)
17730CCASE, PRECLEANER
W(PRE AIR CLEANER)
W(HOT AIR INTAKE)
17744CUP, PRECLEANER
17751INLET, AIR CLEANER, NO.1
main17751-15020i4AF..AT171..LHD..4F; 4AF..AT177;4AF..AT171..RHD;4AF..AT171..LHD..(3FC,5F)..GEN198805-198911
MIDDLE EAST SPEC OR W(HOT AIR INTAKE); W(HOT AIR INTAKE)
17801ELEMENT SUB-ASSY, AIR CLEANER FILTER
17881HOSE, AIR CLEANER, NO.1
main17881-15150i4AF..AT171..LHD..4F; 4AF..AT177;4AF..AT171..5F..GL;4AF..AT171..RHD..(3FC,4F);4AF..AT171..LHD..(3FC,5F)..XL..GEN198805-198911
MIDDLE EAST SPEC OR W(HOT AIR INTAKE)
17881ACLAMP(FOR AIR CLEANER HOSE, NO.1)
main96111-10460i4AF..AT171..LHD..4F; 4AF..AT177;4AF..AT171..5F..GL;4AF..AT171..RHD..(3FC,4F);4AF..AT171..LHD..(3FC,5F)..XL..GEN198805-198911
MIDDLE EAST SPEC OR W(HOT AIR INTAKE)
PIPE SIDE
17882HOSE, AIR CLEANER, NO.2
NO.1
MIDDLE EAST SPEC & W(HOT AIR INTAKE)
W(PRE AIR CLEANER)
17882ACLAMP(FOR AIR CLEANER HOSE, NO.2)
SINGAPORE SPEC & W(HOT AIR INTAKE)
W(PRE AIR CLEANER)
17883HOSE, AIR CLEANER, NO.3
W(HOT AIR INTAKE)
9011906374
main90119-06374
9011908413
main90119-08413
9017506010
main90175-06010
9017906156
main90179-06156
9038707002
main90387-07002
9046001052
main90460-01052
9165140614
main91651-40614
9611110510
main96111-10510
24 parts on this diagram · 6 diagrams in section