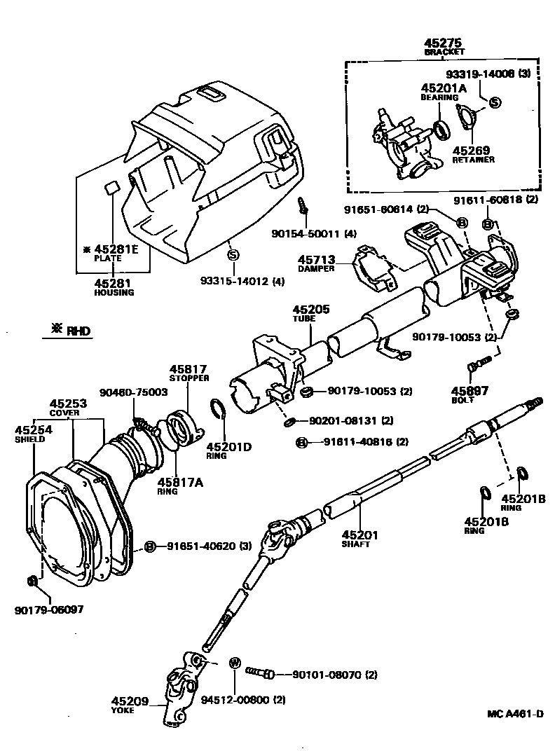
STEERING COLUMN & SHAFT

45201SHAFT SUB-ASSY, STEERING MAIN
W/POWER STEERING
45201ABEARING(FOR STEERING MAIN SHAFT)
45201BRING, SHAFT SNAP(FOR STEERING MAIN SHAFT)
T=1.20,T=1.2
T=1.35-1.45,T=1.4
45201DRING(FOR STEERING MAIN SHAFT)
45205TUBE SUB-ASSY, STEERING COLUMN
W/TILT STEERING
45209YOKE SUB-ASSY, STEERING SLIDING
main45209-32010iAT151;ST150..LB..XL;ST150..SED..RHD..GEN;ST150..SED..XL..(SAA,TH);ST150..SED..LHD..XL..GEN198310-198711
45253COVER, STEERING COLUMN HOLE
45254SHIELD, STEERING COLUMN HOLE
45269RETAINER, MAIN SHAFT BEARING
45275BRACKET, STEERING COLUMN, UPPER
W/*EL
W/*EL
W/*EL
W/*EL
W/*EL
45281HOUSING, STEERING COLUMN
MAROON,RED/MAROON,TRIM3#
GRAY,GRAY,TRIM1#
BLUE,BLUE,TRIM8#
BLUE,BLUE,TRIM8#
MAROON,W/TILT STEERING,RED/MAROON,TRIM3#
GRAY,W/TILT STEERING,GRAY,TRIM1#
BLUE,W/TILT STEERING,BLUE,TRIM8#
BLUE,W/TILT STEERING,BLUE,TRIM8#
DEEP MAROON,RED/MAROON,TRIM3#
GRAY,GRAY,TRIM1#
BLUE,BLUE,TRIM8#
BLUE,BLUE,TRIM8#
MAROON,RED/MAROON,TRIM3#
GRAY,GRAY,TRIM1#
BLUE,W/TILT STEERING,BLUE,TRIM8#
BLUE,BLUE,TRIM8#
45281EPLATE, SAFETY CAUTION
45713DUMPER, STEERING SHAKE
45817STOPPER, STEERING SHAFT THRUST
45817ARING, O(FOR STEERING SHAFT THRUST STOPPER)
45897BOLT, STEERING LOCK SET
9010108070
main90101-08070
9015450011
main90154-50011
9017906097
main90179-06097
9017910053
main90179-10053
9020108131
main90201-08131
9046075003
main90460-75003
9161140816
main91611-40816
9161160818
main91611-60818
9165140620
main91651-40620
9165160614
main91651-60614
9331514012
main93315-14012
9331914008
main93319-14008
9451200800
main94512-00800
29 parts on this diagram · 2 diagrams in section