E
EPC Data

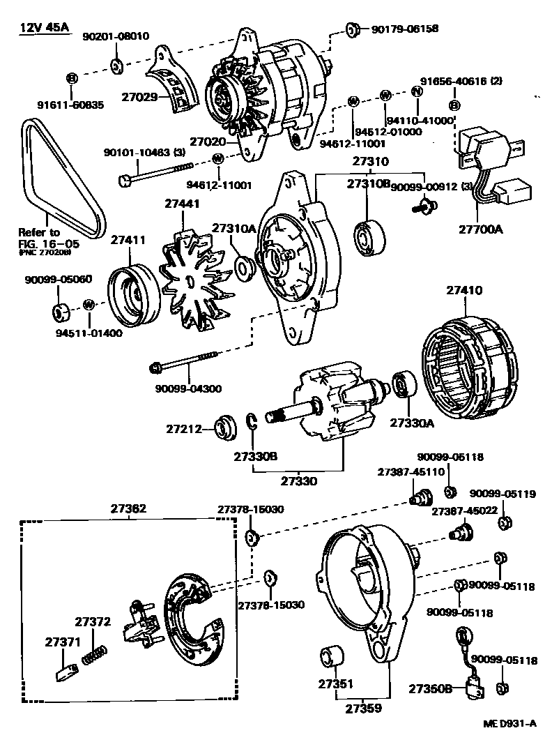
ALTERNATOR

Parts diagram
1605
27020ALTERNATOR ASSY
main27020-16030i198310-198711
12V 50A
main27020-16040i198310-198711
12V 45A
main27020-63080i198310-198508
12V 45A
main27020-63160i198508-198711
12V 50A
main27020-64060i198310-198711
12V 55A
main27020-64100i198310-198711
12V 60A,12V 60A
main27060-63020i198508-198608
12V 70A,12V 70A
main27060-63021i198608-198711
12V 70A,12V 70A
main27060-63030i198508-198608
12V 60A
main27060-63031i198608-198711
12V 60A,12V 60A
main27060-63040i198508-198608
12V 55A
main27060-63041i198608-198711
12V 55A
main27060-63060i198508-198608
12V 55A,12V 55A
main27060-63061i198608-198711
12V 55A,12V 55A
27029COVER, ALTERNATOR
main27029-63030i198310-198711
12V 45A,50A
27212RING, SPACE(FOR ALTERNATOR ROTOR)
main27212-39050i198310-198508
12V 45A
main27333-57060i198310-198711
12V 55A,60A
main27412-15100i198502-198711
12V 45A
main27412-15150i198502-198711
12V 50A
main27412-45070i198310-198502
12V 50A
27310FRAME ASSY, DRIVE END, ALTERNATOR
main27310-15150i198310-198312
12V 50A
main27310-16030i198312-198711
12V 50A
main27310-16040i198310-198312
12V 45A
main27310-16041i198312-198711
12V 45A
main27310-63011i198508-198711
12V 50A
main27310-63021i198508-198711
12V 70A
main27310-63041i198508-198711
12V 60A
main27310-63051i198508-198711
12V 55A
main27310-63080i198310-198401
12V 45A
main27310-63081i198401-198508
12V 45A
main27310-64060i198310-198711
12V 55A,60A
main27310-70071i198508-198711
12V 55A
27310ACOLLAR OR NUT(FOR ALTERNATOR DRIVE END FRAME)
main27412-16030i198401-198508
12V 45A
main27412-16030i198312-198502
12V 45A,50A
main27412-16040i198502-198711
12V 45A,50A
main27412-16040i198508-198711
12V 50A
main27412-63030i198310-198312
12V 45A,50A
main27412-63030i198310-198401
12V 45A
27310BBEARING(FOR ALTERNATOR DRIVE END FRAME)
main90099-10137i198310-198711
12V 55A,60A
main90099-10142i198310-198711
12V 45A,50A
main90099-10159i198508-198711
12V 60A,70A
main90099-10159i198508-198711
12V 55A,60A
27330ROTOR ASSY, ALTERNATOR
main27330-10020i198508-198708
12V 60A
main27330-10020i198508-198708
12V 55A
main27330-10021i198708-198711
12V 60A
main27330-10021i198708-198711
12V 55A
main27330-15100i198502-198711
12V 45A
main27330-16030i198502-198711
12V 50A
main27330-16040i198310-198508
12V 45A
main27330-45070i198310-198502
12V 50A
main27330-64010i198310-198711
12V 55A
main27330-64030i198310-198711
12V 60A
main27330-72100i198508-198708
12V 55A
main27330-72100i198508-198708
12V 70A
main27330-72101i198708-198711
12V 55A
main27330-72101i198708-198711
12V 70A
27330ABEARING(FOR ALTERNATOR ROTOR)
main90099-10111i198310-198705
12V 45A
main90099-10116i198310-198711
12V 50A
main90099-10116i198705-198711
12V 45A
main90099-10140i198508-198711
12V 55A,60A
main90099-10140i198508-198711
12V 60A,70A
27330BRING, SNAP(FOR ALTERNATOR ROTOR)
main90099-07048i198310-198711
12V 45A
main90099-07103i198310-198711
12V 55A,60A
27350FRAME ASSY, RECTIFIER END
main27350-64060i198310-198711
12V 55A,60A
27350BCONDENSER, ALTERNATOR
main90099-52065i198310-198711
12V 45A,50A
main90099-52066i198310-198711
12V 55A,60A
27351BUSH(FOR ALTERNATOR RECTIFIER END FRAME)
main27351-38051i198310-198711
12V 45A,50A
main27351-64060i198310-198711
12V 55A,60A
27359FRAME, ALTERNATOR RECTIFIER END
main27359-16040i198310-198711
12V 45A
main27359-63010i198310-198711
12V 50A
main27359-63021i198508-198711
12V 55A
main27359-63021i198508-198711
12V 70A
main27359-63041i198508-198711
12V 55A
main27359-63041i198508-198711
12V 60A
27362RECTIFIER ASSY, W/BRUSH
main27362-15022i198310-198711
12V 50A
main27362-18011i198310-198711
12V 45A
27371BRUSH, ALTERNATOR
main27371-31011i198310-198711
12V 45A,50A
main27371-56070i198310-198711
12V 55A,60A
main27371-63020i198508-198711
12V 60A,70A
main27371-63020i198508-198711
12V 55A,60A
27372SPRING, ALTERNATOR BRUSH
main27372-31011i198310-198711
12V 45A,50A
main27372-56070i198310-198711
12V 55A,60A
main27372-72100i198508-198711
12V 60A,70A
main27372-72100i198508-198711
12V 55A,60A
27410STATOR ASSY, ALTERNATOR
main27410-38120i198310-198711
12V 45A
main27410-41080i198310-198711
12V 50A
main27410-43040i198310-198711
12V 55A
main27410-54180i198310-198711
12V 60A
27411PULLEY, ALTERNATOR
main27411-15150i198310-198711
12V 45A,50A
main27411-16180i198708-198711
12V 55A,60A
main27411-16180i198708-198711
12V 60A,70A
main27411-63030i198310-198711
12V 45A,50A
main27411-63081i198508-198708
12V 60A,70A
main27411-63081i198508-198708
12V 55A,60A
main27411-64060i198310-198711
12V 55A,60A
27441FAN, ALTERNATOR
main27441-15150i198310-198711
12V 50A
main27441-16040i198310-198711
12V 45A
main27441-64060i198310-198711
12V 55A,60A
27700AREGULATOR ASSY, GENERATOR
main27700-15040i198411-198711
12V 45A,50A
main27700-15040i198310-198411
12V 45A,50A,55A,60A
main27700-15040i198411-198711
12V 50A,55A
main27700-15050i198411-198709
12V 50A,55A,IC REGULATOR
main27700-15051i198709-198711
12V 50A,55A IC REGULATOR
main27700-57060i198310-198606
12V 60A
main27700-63021i198508-198711
12V 55A,60A
main27700-63021i198508-198711
12V 60A,70A
main27700-64030i198606-198711
12V 60A
main27700-64050i198711-198711
12V 50A,55A IC REGULATOR
2737815030INSULATOR, ALTERNATOR, NO.1
2738745022INSULATOR, TERMINAL
2738745110INSULATOR, TERMINAL
9009900912
9009904300
9009905060
9009905118
9009905119
9010110463
9017906158
9020108010
9161160835
9165640616
9411041000
9451101400
9451201000
9461211001

38 parts on this diagram · 6 diagrams in section

ALTERNATOR — Toyota Parts Diagram with OEM Numbers & Prices | EPC Data