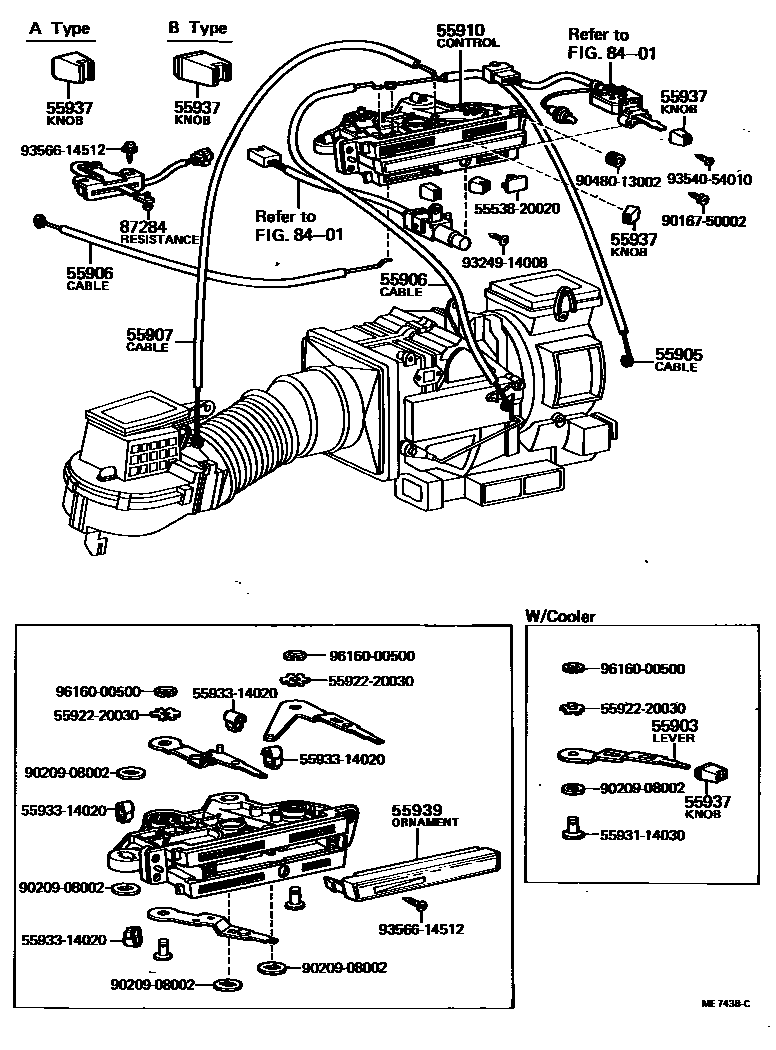
HEATING & AIR CONDITIONING - CONTROL & AIR DUCT

55903LEVER SUB-ASSY, HEATER CONTROL
W/BOOST VENTILATOR
55905CABLE SUB-ASSY, DEFROST CONTROL
L=430
L=390,W/BOOST VENTILATOR
55906CABLE SUB-ASSY, HEATER CONTROL
L=620
L=720
L=690
55907CABLE SUB-ASSY, HEATER AIR INLET BUTTERFLY
L=740
55910CONTROL ASSY, HEATER OR BOOST VENTILATOR
W/BOOST VENTILATOR
W/BOOST VENTILATOR
W/BOOST VENTILATOR
W/BOOST VENTILATOR
55937KNOB, HEATER CONTROL LEVER
B TYPE
A TYPE
55939ORNAMENT, HEATER CONTROL
W/COOLER
W/COOLER
W/BOOST VENTILATOR
W/BOOST VENTILATOR
W/BOOST VENTILATOR
W/BOOST VENTILATOR
8401SWITCH & RELAY & COMPUTER
87284RESISTOR SUB-ASSY, VARIABLE
W/BOOST VENTILATOR
5553820020RETAINER,GLOVE COMPARTMENT
main55538-20020
5592220030BRACKET, HEATER CONTROL BASE
main55922-20030
5593114030CLAMP, HEATER CONTROL WIRE
main55931-14030
5593314020GUIDE, LEVER, NO.2
main55933-14020
9016750002
main90167-50002
9020908002
main90209-08002
9048013002
main90480-13002
9324914008
main93249-14008
9354054010
main93540-54010
9356614512
main93566-14512
9616000500
main96160-00500
20 parts on this diagram · 2 diagrams in section