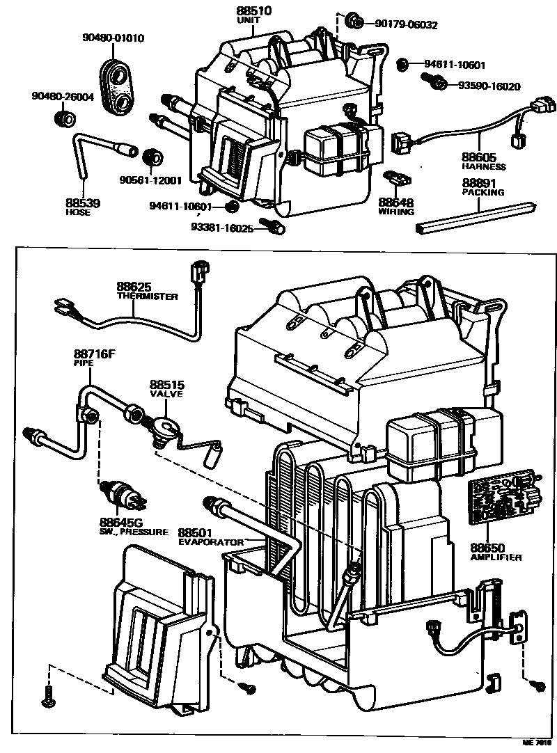
HEATING & AIR CONDITIONING - COOLER UNIT

88501EVAPORATOR SUB-ASSY, COOLER, NO.1
88510UNIT ASSY, COOLER
88515VALVE, COOLER EXPANSION
88539HOSE, COOLER UNIT DRAIN, NO.1
88605HARNESS SUB-ASSY, COOLER WIRING, NO.1
W/BOOST VENTILATOR
W/BOOST VENTILATOR
88625THERMISTOR, COOLER, NO.1
88645GSWITCH, PRESSURE
88648WIRING, COOLER, NO.1
W/BOOST VENTILATOR
88650AMPLIFIER ASSY, COOLER STABILIZER
88716FPIPE, COOLER REFRIGERANT LIQUID, F
88891PACKING (FOR COOLER)
L=245
9017906032
main90179-06032
9048001010
main90480-01010
9048026004
main90480-26004
9056112001
main90561-12001
9338116025
main93381-16025
9359016020
main93590-16020
9461110601
main94611-10601
18 parts on this diagram · 1 diagram in section