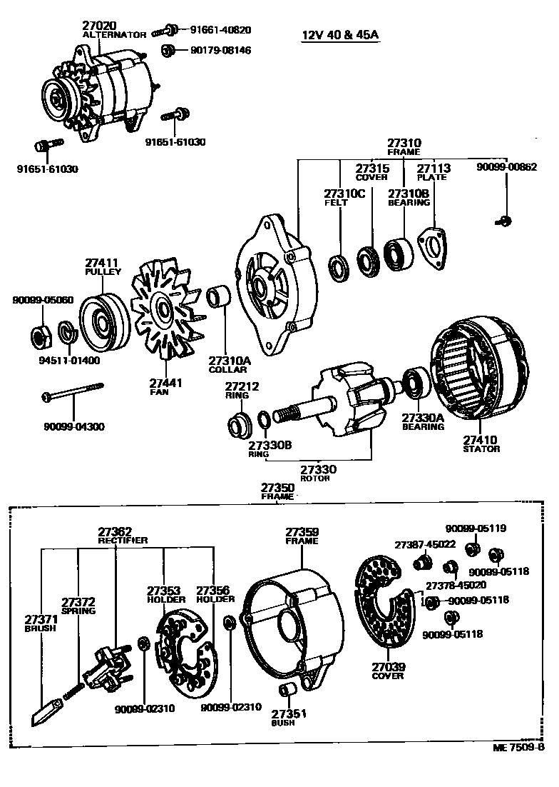
ALTERNATOR

27020ALTERNATOR ASSY
12V 55A,W/IC REGULATOR
12V 55A,W/IC REGULATOR
12V 55A,W/IC REGULATOR
12V 40A,12V 40A
12V 40A
12V 45A
12V 45A
12V 40A
12V 55A,HONG KONG SPEC
12V 55A,12V 55A
12V 50A
12V 50A,12V 50A
12V 45A
12V 45A,12V 45A
27039COVER, ALTERNATOR REAR END
12V 50A,55A
12V 45A
12V 40A
12V 40A
12V 45A
12V 45A
12V 50A
12V 50A,55A
27113PLATE, BEARING RETAINER, ALTERNATOR
12V 40A,45A
27212RING, SPACE(FOR ALTERNATOR ROTOR)
12V 40A,45A
12V 55A,HONG KONG SPEC
27310FRAME ASSY, DRIVE END, ALTERNATOR
12V 40A,45A
12V 40A,45A
12V 50A,55A
12V 55A,W/IC REGULATOR
12V 40A,45A
27310ACOLLAR OR NUT(FOR ALTERNATOR DRIVE END FRAME)
12V 40A,45A
12V 40A,45A
27310BBEARING(FOR ALTERNATOR DRIVE END FRAME)
12V 40A,45A
12V 50A
HONG KONG SPEC
12V 45A
27310CFELT(FOR ALTERNATOR DRIVE END FRAME)
12V 40A,45A
27315COVER, ALTERNATOR FELT, INNER NO.1
12V 40A,45A
27330ROTOR ASSY, ALTERNATOR
12V 40A
12V 40A
12V 45A
12V 45A
12V 50A,55A
12V 55A,W/IC REGULATOR
27330ABEARING(FOR ALTERNATOR ROTOR)
12V 40A,45A
12V 45A
12V 55A,HONG KONG SPEC
27330BRING, SNAP(FOR ALTERNATOR ROTOR)
12V 40A,45A
27350FRAME ASSY, RECTIFIER END
12V 40A
12V 45A
12V 45A
12V 55A,HONG KONG SPEC
12V 50A
27351BUSH(FOR ALTERNATOR RECTIFIER END FRAME)
12V 40A,45A,50A,55A
27353HOLDER, W/RECTIFIER POSITIVE, ALTERNATOR
12V 40A,45A
12V 55A,HONG KONG SPEC
12V 55A
12V 50A
12V 50A
27356HOLDER, W/RECTIFIER NEGATIVE, ALTERNATOR
12V 40A,45A
12V 55A
12V 50A
12V 55A,HONG KONG SPEC
12V 50A
27359FRAME, ALTERNATOR RECTIFIER END
12V 45A
12V 50A,55A
12V 55A,W/IC REGULATOR
12V 40A,45A
12V 50A,55A
12V 55A,W/IC REGULATOR
12V 55A,W/IC REGULATOR
27362RECTIFIER ASSY, W/BRUSH
12V 50A
12V 40A,45A
12V 40A,45A
12V 55A,W/IC REGULATOR
12V 55A; 12V 55A,HONG KONG SPEC
12V 55A,HONG KONG SPEC
12V 50A
12V 55A,W/IC REGULATOR
12V 55A,HONG KONG SPEC
12V 50A
12V 55A,W/IC REGULATOR
27371BRUSH, ALTERNATOR
12V 50A,55A
12V 50A,55A
27372SPRING, ALTERNATOR BRUSH
12V 40A; 12V 45A
12V 55A,W/IC REGULATOR
27410STATOR ASSY, ALTERNATOR
12V 40A
12V 40A
12V 45A
12V 55A
12V 50A
12V 45A
12V 55A,W/IC REGULATOR
12V 55A; 12V 55A,HONG KONG SPEC
27411PULLEY, ALTERNATOR
12V 45A,50A,55A
12V 40A,45A
27441FAN, ALTERNATOR
12V 45A,50A,55A
12V 55A,W/IC REGULATOR
2737845020INSULATOR, ALTERNATOR, NO.1
main27378-45020
2738745022INSULATOR, TERMINAL
main27387-45022
9009900862
main90099-00862
9009902310
main90099-02310
9009904300
main90099-04300
9009905060
main90099-05060
9009905118
main90099-05118
9009905119
main90099-05119
9017908146
main90179-08146
9165161030
main91651-61030
9166140820
main91661-40820
9451101400
main94511-01400
35 parts on this diagram · 5 diagrams in section