E
EPC Data

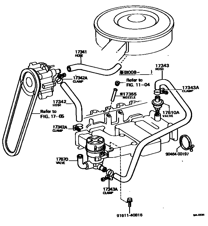
MANIFOLD AIR INJECTION SYSTEM

Parts diagram
1104CYLINDER HEAD
17341HOSE, NO.1(FOR AIR INJECTION SYSTEM)
main17341-34030i197908-198108
main17341-38040i198108-198301
main90910-05158i198101-198301
17342HOSE, NO.2(FOR AIR INJECTION SYSTEM)
main17342-32010i198101-198301
main17342-34020i197908-198108
main17342-37040i198108-198111
main17342-38050i198111-198301
17342ACLAMP OR CLIP, NO.2(FOR AIR INJECTION SYSTEM HOSE, NO.2)
main90467-26001×2i198101-198301
main90467-28003×2i198108-198301
main96112-10300×2i197908-198108
17343HOSE, NO.3(FOR AIR INJECTION SYSTEM)
main17343-32010i198101-198301
main17343-34021i197911-198108
main17343-34040i197908-197911
main17343-38040i198108-198301
17343ACLAMP OR CLIP, NO.3(FOR AIR INJECTION SYSTEM HOSE, NO.3)
main90467-23001×2i198101-198301
main96112-10270×2i197908-198108
17355NOZZLE, AIR INJECTION
main17355-38020×3i198008-198108
17610AVALVE, CHECK(FOR AIR INJECTION SYSTEM)
main90917-10028i198208-198301
main90917-10039i197908-198108
main90917-10045i198101-198301
main90917-10058i198108-198208
17670VALVE ASSY, AIR BY-PASS
main17670-32010i198101-198301
main17670-34030i197908-198108
9046400197
9161140816

12 parts on this diagram · 3 diagrams in section

MANIFOLD AIR INJECTION SYSTEM — Toyota Parts Diagram with OEM Numbers & Prices | EPC Data