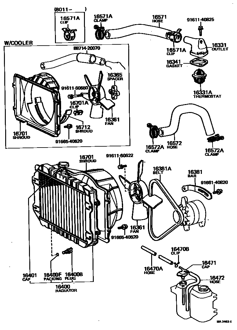
RADIATOR & WATER OUTLET

16331OUTLET, WATER
16331ATHERMOSTAT
*WAX 82-95,FUJI-THOMSON
*WAX 88-100,FUJI-THOMSON
*WAX 82-95,KUZEH
*WAX 88-100,KUZEH
*WAX 88-100,*WAX 88-100,KUZEH
16341GASKET, WATER OUTLET
16361FAN
W/COOLER
7 BLADES
16361ABELT, V(FOR FAN & ALTERNATOR)
L=840
L=885
L=880
L=900
L=840
16365SPACER, FAN
W/COOLER
16381BAR, FAN BELT ADJUSTING
16400RADIATOR ASSY
16400BPLUG, RADIATOR DRAIN COCK
16400FPACKING(FOR RADIATOR DRAIN COCK)
main96711-19007i21RC,12RM..RT130,133; 2T..TT133;3T..TT132..RHD;3T..TT132..LHD..(3FC,4F);3T..TT132..(HT,LB)..LHD..5F198110-198301
16401CAP SUB-ASSY, RADIATOR
16470TANK ASSY, RADIATOR RESERVE
16470AHOSE OR PIPE(FOR RADIATOR RESERVE TANK)
L=600(*H,L=550)
L=1300
L=600(*H,L=360)
L=600(*H,L=410)
16470BCLAMP OR CLIP(FOR RADIATOR RESERVE TANK HOSE)
16471CAP SUB-ASSY, RESERVE TANK
16472HOSE, BREATHER
16571HOSE, RADIATOR, INLET
16571ACLAMP OR CLIP, HOSE(FOR RADIATOR INLET)
WATER OUTLET SIDE
RADIATOR SIDE
RADIATOR SIDE
16572HOSE, RADIATOR, OUTLET
16572ACLAMP OR CLIP, HOSE(FOR RADIATOR OUTLET NO.1)
RADIATOR OUTLET SIDE
ENGINE SIDE,ID=49
RADIATOR SIDE,ID=45
RADIATOR SIDE,ID=46
ENGINE SIDE,ID=48
ENGINE SIDE,ID=49
16701SHROUD SUB-ASSY, FAN
W/COOLER
16701ACLIP(FOR FAN SHROUD)
W/COOLER
W/COOLER
W/COOLER
16712SHROUD, FAN, NO.2
W/COOLER
W/COOLER
W/COOLER
W/COOLER
8871420070HOSE, COOLER REFRIGERANT LIQUID, NO.1
main88714-20070
9161140825
main91611-40825
9161160622
main91611-60622
9161160650
main91611-60650
9166140820
main91661-40820
9166540620
main91665-40620
29 parts on this diagram · 4 diagrams in section