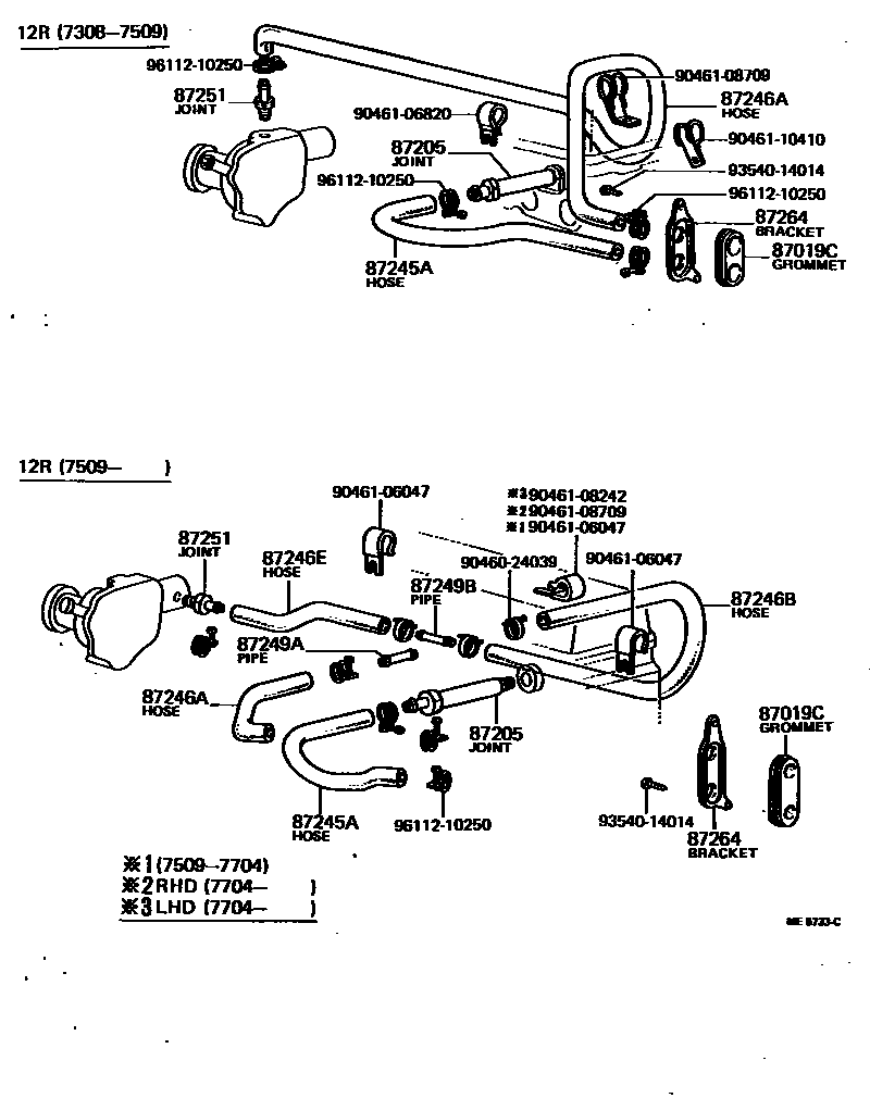
HEATING & AIR CONDITIONING - WATER PIPING

87019CGROMMET, HEATER HOSE
87205JOINT OR UNION, FRONT HEATER HOSE THROUGH OR INLET VALVE
87245AHOSE, HEATER WATER, INLET A
L=250
L=800
87246AHOSE, HEATER WATER, OUTLET A
L=360
L=420
L=680
L=800
87246BHOSE, HEATER WATER, OUTLET B
L=560
87246EHOSE, HEATER WATER, OUTLET E
87249APIPE, HEATER WATER OUTLET, A
87249BPIPE, HEATER WATER OUTLET, B
87251JOINT OR UNION, WATER HOSE THROUGH
COOLER
87264BRACKET, HEATER WATER HOSE
9046024039
main90460-24039
9046106047
main90461-06047
9046106820
main90461-06820
9046108242
main90461-08242
9046108709
main90461-08709
9046110410
main90461-10410
9354014014
main93540-14014
9611210250
main96112-10250
18 parts on this diagram · 2 diagrams in section