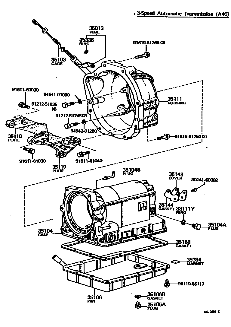
TRANSMISSION CASE & OIL PAN (ATM)

33111YSEAL, OIL(FOR TRANSMISSION CASE)
35013TUBE SUB-ASSY, TRANSMISSION OIL FILLER
35103GAGE SUB-ASSY, TRANSMISSION OIL LEVEL
35104CASE SUB-ASSY, AUTOMATIC TRANSMISSION
35104APLUG, AUTOMATIC TRANSMISSION CASE
35104BPLUG, BREATHER, NO.1 (ATM)
35106PAN SUB-ASSY, AUTOMATIC TRANSMISSION OIL
35106APLUG SUB-ASSY, DRAIN (ATM)
35106BGASKET, DRAIN PLUG (ATM)
35111HOUSING, AUTOMATIC TRANSMISSION
35118PLATE, STIFENER, RH (ATM)
35119PLATE, STIFENER, LH (ATM)
35143COVER, TRANSMISSION CASE, REAR
35144GASKET, TRANSMISSION CASE REAR COVER
35168GASKET, AUTOMATIC TRANSMISSION OIL PAN
35336RING, O (FOR TRANSMISSION OIL FILLER TUBE)
35394MAGNET, OIL CLEANER (FOR TRANSMISSION)
9011906117
main90119-06117
9014160002
main90141-60002
9121251035
main91212-51035
9121251245
main91212-51245
9161161030
main91611-61030
9161161040
main91611-61040
9161961250
main91619-61250
9161961265
main91619-61265
9454101000
main94541-01000
9454201200
main94542-01200
27 parts on this diagram · 1 diagram in section