HEATING & AIR CONDITIONING - COOLER PIPING

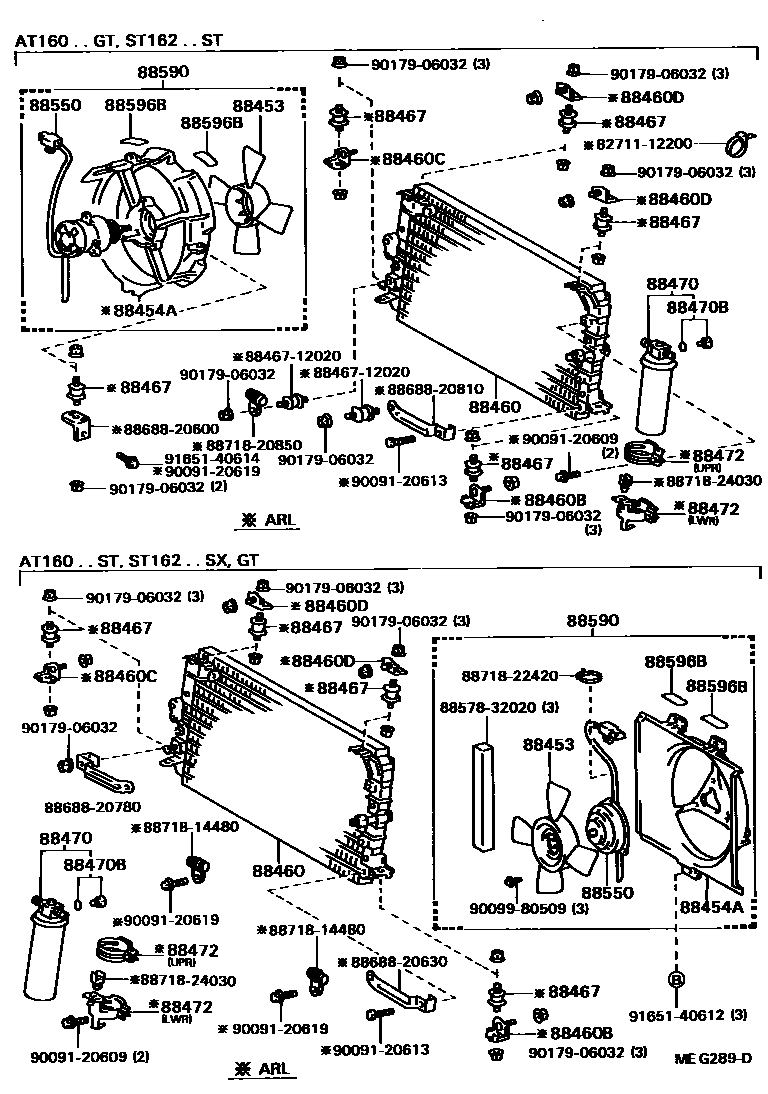
88453FAN, COOLING (FOR CONDENSER)
88454ASHROUD, FAN
88460CONDENSER ASSY, COOLER
88460BBRACKET, COOLER CONDENSER, NO.1
88460CBRACKET, COOLER CONDENSER, NO.2
88460DBRACKET, COOLER CONDENSER, NO.3
88467CUSHION, COOLER CONDENSER, NO.1
CONDENSER; PIPING
PIPING
88470RECEIVER & DRYER ASSY, COOLER
88470BBOLT, FUSE
88472BRACKET, RECEIVER TANK, NO.1
UPR
LWR
88550MOTOR ASSY, BLOWER (FOR CONDENSER)
88590BLOWER ASSY, W/SHROUD
88596BPLATE, CAUTION, NO.1
AIR CONDITIONER CAUTION
CAUTION
CAUTION
AIR CONDITIONER CAUTION
8271112200WIRE, FUSE TO FUSE(FOR COMBUSTION HEATER)
main82711-12200
8846712020CUSHION, COOLER CONDENSER, NO.1
main88467-12020
8857832020PAKING, COOLER AIR DUCT
main88578-32020
8868820600BRACKET, COOLER DIAPHRAGM
main88688-20600
8868820630BRACKET, COOLER DIAPHRAGM
main88688-20630
8868820780BRACKET, COOLER DIAPHRAGM
main88688-20780
8868820810BRACKET, COOLER DIAPHRAGM
main88688-20810
8871814480PIPE, COOLER REFRIGERANT SUCTION, NO.2
main88718-14480
8871820850PIPE, COOLER REFRIGERANT SUCTION, NO.2
main88718-20850
8871822420PIPE, COOLER REFRIGERANT SUCTION, NO.2
main88718-22420
8871824030PIPE, COOLER REFRIGERANT SUCTION, NO.2
main88718-24030
9009120609
main90091-20609
9009120613
main90091-20613
9009120619
main90091-20619
9009980509
main90099-80509
9017906032
main90179-06032
9165140612
main91651-40612
9165140614
main91651-40614
31 parts on this diagram · 3 diagrams in section