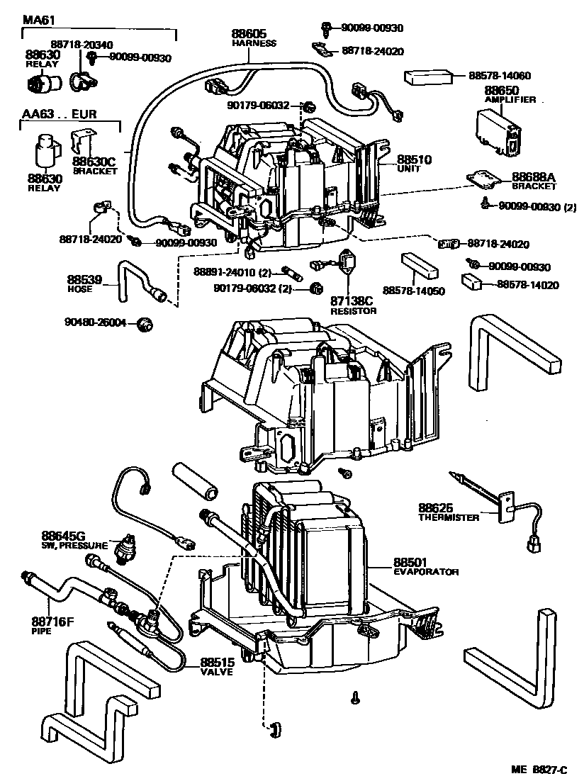
HEATING & AIR CONDITIONING - COOLER UNIT

87138CRESISTOR, BLOWER
main87138-14060iRA61..LHD..4FC;RA61..LHD..5F..EUG;AA63,RA60,63,TA60..LHD;RA61..5F..XT..(GEN,SAA)198108-198405
main87138-14061iAA63,TA60..LHD;RA61..LHD..4FC;RA61..LHD..5F..EUG;RA61..5F..XT..(GEN,SAA)198405-198507
88501EVAPORATOR SUB-ASSY, COOLER, NO.1
main88501-14191iMA61..LHD..TWC;RA61..LHD..4FC;RA61..LHD..5F..EUG;AA63,RA60,63,TA60..LHD;RA61..5F..XT..(GEN,SAA)198302-198512
88510UNIT ASSY, COOLER
W/*AAC
88515VALVE, COOLER EXPANSION
W/*AAC
88539HOSE, COOLER UNIT DRAIN, NO.1
main88539-14060iAA63,TA60..LHD;MA61..LHD..TWC;RA61..LHD..4FC;RA61..LHD..5F..EUG;RA61..5F..XT..(GEN,SAA)198308-198512
88605HARNESS SUB-ASSY, COOLER WIRING, NO.1
main88605-14330iAA63..GEN; TA60;RA61..RHD;RA61..LHD..4FC;RA61..LHD..5F..EUG;RA61..5F..XT..(GEN,SAA)198408-198507
W/BOOST VENTILATOR
88625THERMISTOR, COOLER, NO.1
88630CBRACKET, COOLER RELAY
88645GSWITCH, PRESSURE
88650AMPLIFIER ASSY, COOLER STABILIZER
main88650-14070iAA63,TA60;RA61..RHD;RA61..LHD..4FC;RA61..LHD..5F..EUG;RA61..5F..XT..(GEN,SAA)198308-198507
W/*AAC
88688ABRACKET, COOLER STABILIZER AMPLIFIER
88716FPIPE, COOLER REFRIGERANT LIQUID, F
main88716-14820iMA61..LHD..TWC;RA61..LHD..4FC;RA61..LHD..5F..EUG;AA63,RA60,63,TA60..LHD;RA61..5F..XT..(GEN,SAA)198108-198512
8857814020PAKING, COOLER AIR DUCT
main88578-14020
8857814050PAKING, COOLER AIR DUCT
main88578-14050
8857814060PAKING, COOLER AIR DUCT
main88578-14060
8871820340PIPE, COOLER REFRIGERANT SUCTION, NO.2
main88718-20340
8871824020PIPE, COOLER REFRIGERANT SUCTION, NO.2
main88718-24020
8889124010PACKING (FOR COOLER)
main88891-24010
9009900930
main90099-00930
9017906032
main90179-06032
9048026004
main90480-26004
22 parts on this diagram · 2 diagrams in section