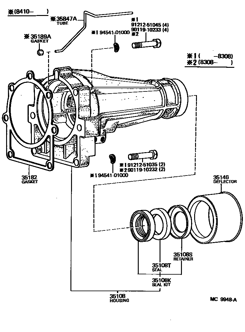
EXTENSION HOUSING (ATM)

35108HOUSING SUB-ASSY, EXTENSION (ATM)
35108KSEAL KIT, OIL(FOR AUTOMATIC EXTENSION HOUSING)
35108SRETAINER, EXTENSION HOUSING DUST SEAL (ATM)
35108TSEAL, DUST (FOR AUTOMATIC TRANSMISSION EXTENSION HOUSING)
35146DEFLECTOR, EXTENSION HOUSING DUST (ATM)
35182GASKET, EXTENSION HOUSING (ATM)
35189AGASKET, EXTENSION HOUSING BUSH APPLY TUBE
35847ATUBE, EXTENSION HOUSING BUSH APPLY
9011910232
main90119-10232
9011910233
main90119-10233
9121251035
main91212-51035
9121251045
main91212-51045
9454101000
main94541-01000
13 parts on this diagram · 1 diagram in section