E
EPC Data

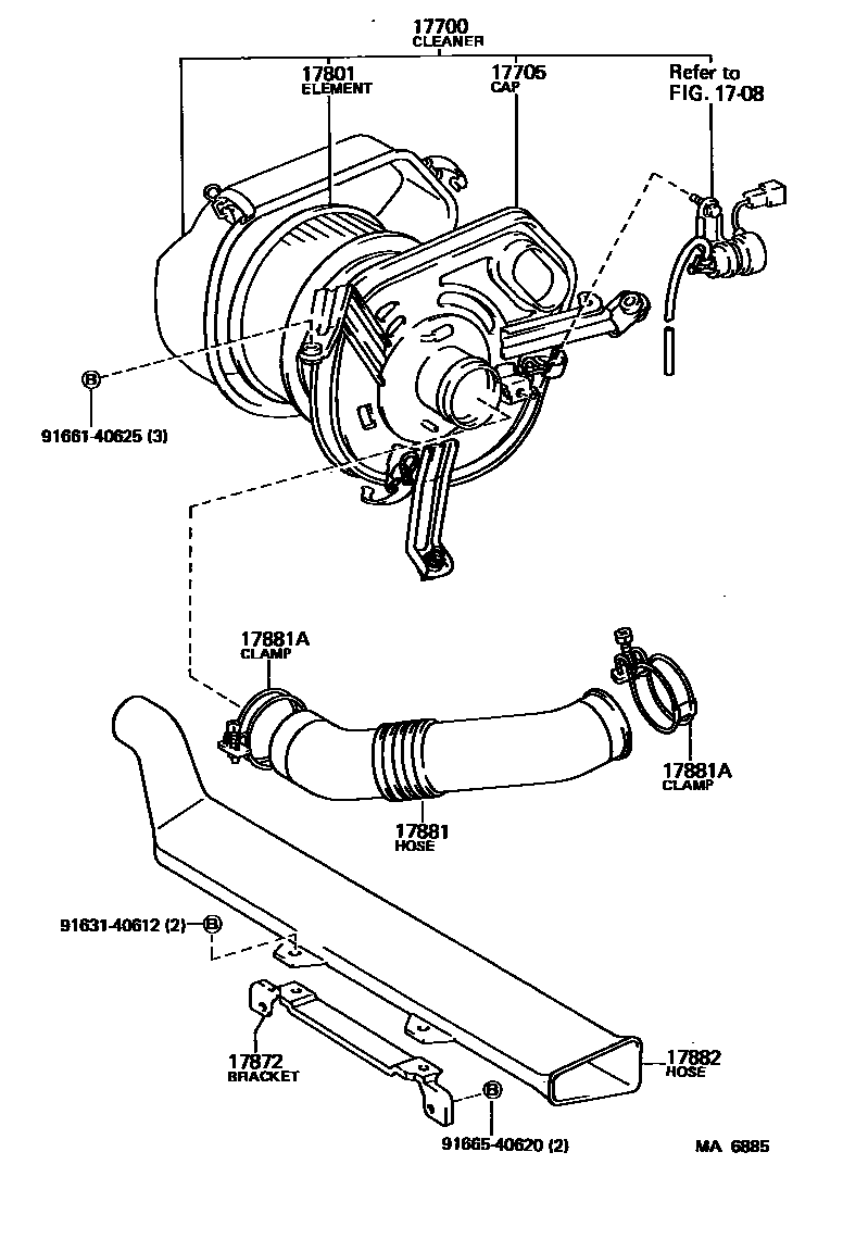
AIR CLEANER

Parts diagram
1708
17700CLEANER ASSY, AIR
main17700-16180i198308-198507
main17700-26270i198108-198507
main17700-26280i198108-198507
W/HOT AIR INTAKE
main17700-26290i198108-198308
main17700-26300i198108-198210
W/HOT AIR INTAKE
main17700-34680i198108-198308
main17700-35180i198408-198507
W/HOT AIR INTAKE
main17700-35250i198408-198507
main17700-37090i198108-198408
main17700-37100i198108-198408
W/HOT AIR INTAKE
main17700-37110i198108-198308
main17700-37130i198208-198408
main17700-37170i198408-198503
main17700-37171i198503-198507
main17700-37180i198408-198507
main17700-43040i198112-198512
main17700-43060i198308-198512
main17700-74020i198308-198408
17705CAP SUB-ASSY, AIR CLEANER
main17705-16070i198308-198507
main17705-26080i198108-198308
main17705-26090i198108-198507
main17705-26100i198108-198507
W/HOT AIR INTAKE
main17705-34260i198108-198308
main17705-35060i198108-198507
main17705-35120i198408-198507
main17705-43030i198112-198512
main17705-43040i198308-198512
main17705-74020i198308-198408
17801ELEMENT SUB-ASSY, AIR CLEANER FILTER
main17801-24010i198108-198308
main17801-24020i198108-198507
main17801-25010i198108-198308
main17801-31080i198111-198308
DUST AREA
main17801-34060i198308-198408
main17801-37010i198108-198507
main17801-41110i198112-198512
main17801-45020i198308-198507
17872BRACKET, INTAKE AIR CONNECTOR
main17872-16020i198308-198507
17881HOSE, AIR CLEANER, NO.1
main17881-16030i198308-198507
main17881-26020i198108-198507
W/HOT AIR INTAKE
main17881-27010i198108-198308
main17881-35010i198408-198507
main17881-37030i198108-198507
main17881-43021i198112-198512
main17881-43040i198308-198512
main17881-74040i198311-198408
main17882-31040i198308-198311
17881ACLAMP(FOR AIR CLEANER HOSE, NO.1)
main90072-46002i198108-198308
main96111-10460i198308-198408
main96111-10710i198308-198512
ID=71
main96111-10750i198308-198507
main96111-10800i198408-198507
main96111-10830i198112-198512
17882HOSE, AIR CLEANER, NO.2
main17881-14010i198108-198507
main17881-14020i198108-198507
main17882-14030i198308-198408
main17882-16050i198308-198507
main17882-35030i198408-198507
main17882-43030i198112-198512
main17882-43070i198308-198512
9163140612
9166140625
9166540620

11 parts on this diagram · 12 diagrams in section

AIR CLEANER — Toyota Parts Diagram with OEM Numbers & Prices | EPC Data