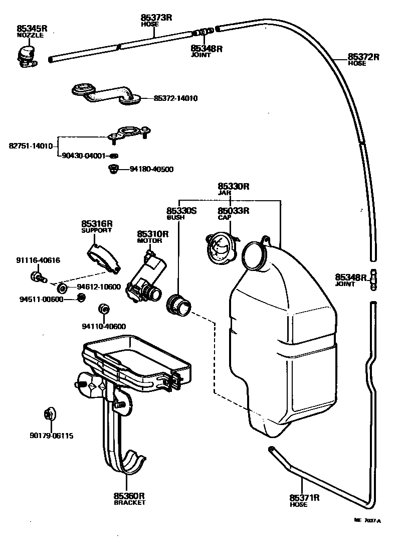
REAR WASHER

85033RCAP ASSY, REAR WASHER
85310RMOTOR ASSY, REAR WASHER
85316RSUPPORT, REAR WASHER MOTOR
85330RJAR ASSY, REAR WASHER
85330SBUSH, REAR WASHER JAR
85345RNOZZLE, REAR WASHER
85348RJOINT, REAR WASHER HOSE, NO.1
2 WAY TYPE
85360RBRACKET ASSY, REAR WASHER
85371RHOSE, REAR WASHER (FROM MOTOR TO JOINT)
L=1000(*H,L=450)
85372RHOSE, REAR WASHER (FROM JOINT TO JOINT OR NOZZLE)
L=1300
85373RHOSE, REAR WASHER (FROM JOINT TO NOZZLE)
L=1800(*H,L=320)
8275114010BLOCK, DRIVER SIDE RELAY
main82751-14010
8537214010HOSE, WINDSHIELD WASHER (FROM JOINT TO JOINT), NO.1
main85372-14010
9017906115
main90179-06115
9043004001
main90430-04001
9111640616
main91116-40616
9411040600
main94110-40600
9418040500
main94180-40500
9451100600
main94511-00600
9461210600
main94612-10600
20 parts on this diagram · 1 diagram in section