E
EPC Data

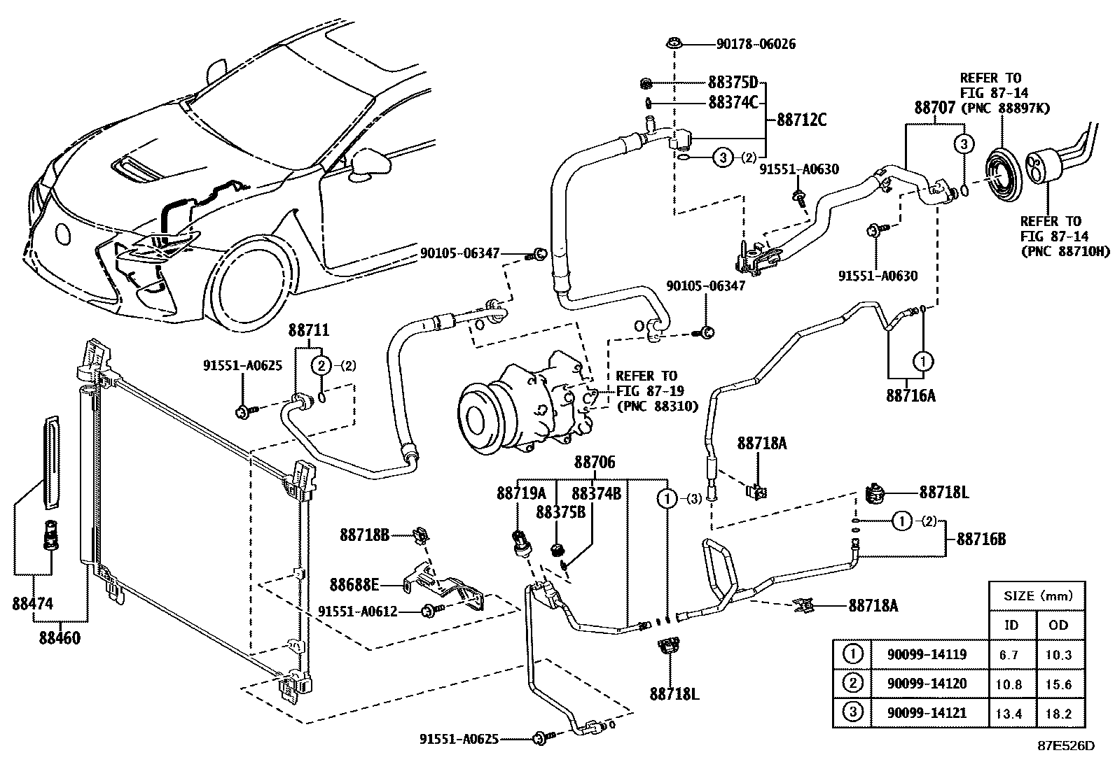
HEATING & AIR CONDITIONING - COOLER PIPING

Parts diagram
8714HEATING & AIR CONDITIONING - COOLER UNIT
8719HEATING & AIR CONDITIONING - COMPRESSOR
88374BVALVE, SERVICE, NO.1
main88374-30010i201409-201902
88374CVALVE, SERVICE, NO.2
main88374-30010i201409-201711
88375BCAP, SERVICE VALVE, NO.1
main88375-30280i201409-201711
88375DCAP, SERVICE VALVE, NO.2
main88375-30290i201409-201711
88460CONDENSER ASSY, COOLER
main88460-24120i201409-201711
88474DRYER, COOLER
main88474-12010i201903-202501
88688EBRACKET, COOLER REFRIGERANT HOSE, NO.1
main88688-3F020i201409-201902
88706PIPE SUB-ASSY, LIQUID
main88706-24160i201409-201711
88707PIPE SUB-ASSY, SUCTION
main88707-24040i201903-202501
88711HOSE, COOLER REFRIGERANT DISCHARGE, NO.1
main88711-24190i201409-201902
main88711-24200supersedes 88711-24191i201903-202404
JORDAN SPEC
main88711-24201i202405-202501
88712CHOSE, SUCTION
main88712-24190i201409-201711
main88712-24240supersedes 88712-24191i201903-202403
JORDAN SPEC
main88712-24241i202404
JORDAN SPEC
88716APIPE, COOLER REFRIGERANT LIQUID, A
main88716-24330i201409-201711
88716BPIPE, COOLER REFRIGERANT LIQUID, B
main88716-24340i201409-201902
88718ACLAMP, NO.1(FOR COOLER REFRIGERANT PIPE)
main88718-1A430×2i201409-201711
88718BCLAMP, NO.2(FOR COOLER REFRIGERANT PIPE)
main88718-32220i201409-201711
88718LCLAMP, PIPING
main88718-2D150×2i201409-201711
88719ASENSOR, AIR CONDITIONER PRESSURE
main88719-33020i201409-201711
9009914119
9009914120
9009914121
9010506347
9017806026
91551A0612
91551A0625
91551A0630

27 parts on this diagram · 1 diagram in section

HEATING & AIR CONDITIONING - COOLER PIPING — Toyota Parts Diagram with OEM Numbers & Prices | EPC Data