E
EPC Data

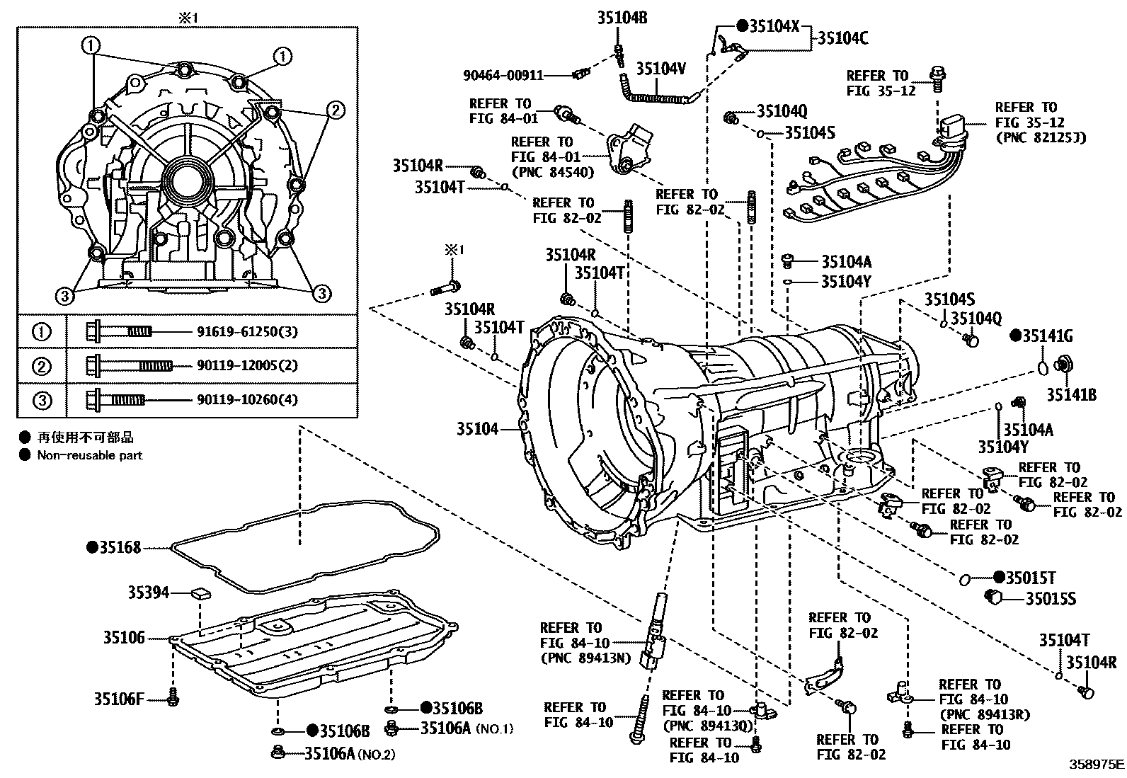
TRANSMISSION CASE & OIL PAN (ATM)

Parts diagram
35015SPLUG, STRAIGHT(FOR TRANSMISSION CASE ADAPTER)
main90341-18059i201810-202209
35015TRING, O(FOR TRANSMISSION CASE ADAPTER)
main90301-15004i201409-201510
35104CASE SUB-ASSY, AUTOMATIC TRANSMISSION
main35104-30240i201810
main35104-53010i201810-202209
35104APLUG, AUTOMATIC TRANSMISSION CASE
main90341-14011×2i201409-201510
35104BPLUG, BREATHER, NO.1 (ATM)
main90930-03211i201409-201510
35104CPLUG, BREATHER, NO.2 (ATM)
main90930-03197i201810-202209
35104QPLUG, NO.1 (FOR TRANSAXLE CASE)
main90341-12036×2i201510-201810
35104RPLUG, NO.2 (FOR TRANSAXLE CASE)
main90341-08001×5i201409-201510
35104SRING, O (FOR TRANSAXLE CASE PLUG NO.1)
main90301-09026×2i201810
35104TRING, O (FOR TRANSAXLE CASE PLUG NO.2)
main90301-06196×5i201510-201810
35104VHOSE (FOR BREATHER PLUG)
main90447-11075i201510-201810
main90447-11077i201810-202209
35104XRING, O (FOR BREATHER PLUG)
main90301-04015i201810-202209
35104YRING, O (FOR AUTOMATIC TRANSMISSION CASE)
main90301-11030×2i201810
35106PAN SUB-ASSY, AUTOMATIC TRANSMISSION OIL
main35106-30300i201409-201505
main35106-30310i201510-201810
35106APLUG SUB-ASSY, DRAIN (ATM)
main90341-10011i201409-201510
NO.1:REFER ILLUST.
main90341-10021i201409-201510
NO.2:REFER ILLUST.
35106BGASKET, DRAIN PLUG (ATM)
main35178-30010×2i201409-201510
35106FBOLT (FOR AUTOMATIC TRANSMISSION OIL PAN)
main90119-06982×9i201810
3512VALVE BODY & OIL STRAINER (ATM)
35141BPLUG (FOR AUTOMATIC TRANSMISSION CASE)
main90341-24017i201409-201510
35141GRING, O (FOR AUTOMATIC TRANSMISSION CASE)
main90301-20013i201409-201510
35168GASKET, AUTOMATIC TRANSMISSION OIL PAN
main35168-50010i201409-201510
35394MAGNET, OIL CLEANER (FOR TRANSMISSION)
main35394-48010×3i201409-201510
8202WIRING & CLAMP
8401SWITCH & RELAY & COMPUTER
8410OVERDRIVE & ELECTRONIC CONTROLLED TRANSMISSION
9011910260
9011912005
9046400911
9161961250

29 parts on this diagram · 2 diagrams in section

TRANSMISSION CASE & OIL PAN (ATM) — Toyota Parts Diagram with OEM Numbers & Prices | EPC Data