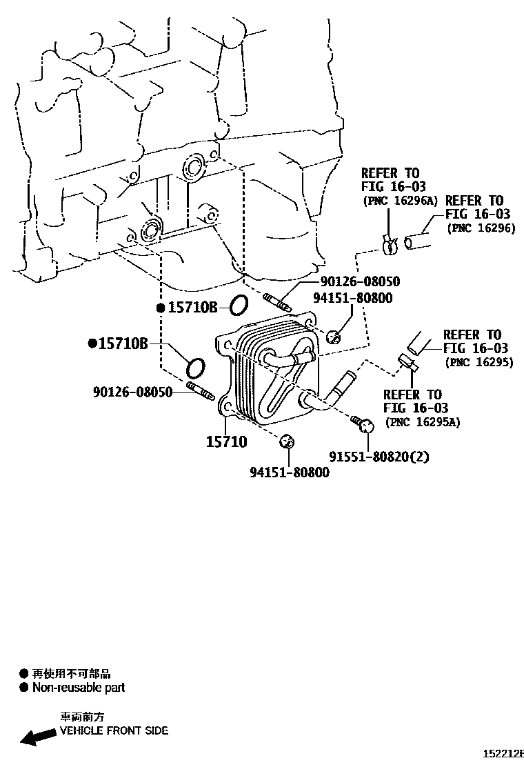
ENGINE OIL COOLER

15710COOLER ASSY, OIL
15710BRING, O(FOR OIL COOLER)
CHILE SPEC
CHILE SPEC
1603RADIATOR & WATER OUTLET
9012608050
main90126-08050
9155180820
main91551-80820
9415180800
main94151-80800
6 parts on this diagram · 4 diagrams in section

6 parts on this diagram · 4 diagrams in section